AFR anzeige mit VDO voltmeter
-
gravedigger
- Beiträge: 1377
- Registriert: Mo Okt 01, 2007 7:31 pm
- Wohnort: Augsburg
Re: AFR anzeige mit VDO voltmeter
ja, hab ich so aufgebaut und funzt am labornetzteil. man könnte wie geschrieben die widerstände optimieren, aber das hat ja mit der platine nix zu tun. auf den bildern hab ich noch einen 12 volt und einen 24 volt baustein. also mit13,8 volt rein und auf 27 volt verdoppeln, dann auf 24 und 12 volt runter in den OP484 rein. geht evtl. auch eleganter...bin aber kein elektroniker, sonst hätte ich das selber in angriff genommen. als metaller tut man sich schwer und die arbeitskollegen will ich nicht dauernd belästigen.
evtl. sollte man für den spannugsdoppler den schaltplan von conrad verwenden anstatt den 555er baustein und auch gleich die kleine 27 volt schaltung für den drehzahlmesser dazubauen.
so funzen dann auch die 80mm (VDO) drehzahlmesser für klemme 1 an der ms.
evtl. sollte man für den spannugsdoppler den schaltplan von conrad verwenden anstatt den 555er baustein und auch gleich die kleine 27 volt schaltung für den drehzahlmesser dazubauen.
so funzen dann auch die 80mm (VDO) drehzahlmesser für klemme 1 an der ms.
Zuletzt geändert von gravedigger am Mi Apr 02, 2008 1:37 pm, insgesamt 4-mal geändert.
VW Käfer - TYP4 2.4l - MS2 V3Board - MS Extra 2.x
Lambretta Li TS1 - 0.23l - Microsquirt V3 - MS Extra 3.3.2
Serveta SX200 TS1 0.24l Microsquirt V3 MS Extra 3.3.4
VW Käfer 1200 30PS mit Aisin AMR500 Microspuirt V3 MS Extra
Lambretta Li TS1 - 0.23l - Microsquirt V3 - MS Extra 3.3.2
Serveta SX200 TS1 0.24l Microsquirt V3 MS Extra 3.3.4
VW Käfer 1200 30PS mit Aisin AMR500 Microspuirt V3 MS Extra
-
gravedigger
- Beiträge: 1377
- Registriert: Mo Okt 01, 2007 7:31 pm
- Wohnort: Augsburg
Re: AFR anzeige mit VDO voltmeter
der spannungswandler von conrad hat die nummer 191060 - 62 DC-SPANNUNGSWANDLER BS.
die bausteine dazu gibt es auch günstig bei reichelt.
als gehäuse wäre eins von conrad mit der nummer 522600 bzw. 521256 ganz nett.
die bausteine dazu gibt es auch günstig bei reichelt.
als gehäuse wäre eins von conrad mit der nummer 522600 bzw. 521256 ganz nett.
VW Käfer - TYP4 2.4l - MS2 V3Board - MS Extra 2.x
Lambretta Li TS1 - 0.23l - Microsquirt V3 - MS Extra 3.3.2
Serveta SX200 TS1 0.24l Microsquirt V3 MS Extra 3.3.4
VW Käfer 1200 30PS mit Aisin AMR500 Microspuirt V3 MS Extra
Lambretta Li TS1 - 0.23l - Microsquirt V3 - MS Extra 3.3.2
Serveta SX200 TS1 0.24l Microsquirt V3 MS Extra 3.3.4
VW Käfer 1200 30PS mit Aisin AMR500 Microspuirt V3 MS Extra
Re: AFR anzeige mit VDO voltmeter
Wie siehts eigentlich mit Spannungschwankungen aus ? Sollte man vieleicht noch nen Spannungsregler dazu bauen ?
Wie siehts eigentlich mit Interesse aus, will jemand so ne Platine, lohnt sich da ne kleine Serie ?
Wenn ja, mit oder ohne Drehzahlmesser Schaltung ?
Soll das klein sein, dann vieleicht ne SMD Platine ?
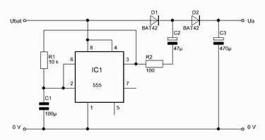
Hier mal noch nen Anständigen Plan der Spannungsverdoppler Schaltung , war so umständlich immer den Monitor auf den kopf zu stellen
EDIT: Wer lesen kann ist klar im Vorteil
hast ja schon 2 Spannungregler drauf 
Wie siehts eigentlich mit Interesse aus, will jemand so ne Platine, lohnt sich da ne kleine Serie ?
Wenn ja, mit oder ohne Drehzahlmesser Schaltung ?
Soll das klein sein, dann vieleicht ne SMD Platine ?
Hier mal noch nen Anständigen Plan der Spannungsverdoppler Schaltung , war so umständlich immer den Monitor auf den kopf zu stellen
EDIT: Wer lesen kann ist klar im Vorteil
- Dateianhänge
-
- SpVd.gif (9.62 KiB) 6319 mal betrachtet
-
gravedigger
- Beiträge: 1377
- Registriert: Mo Okt 01, 2007 7:31 pm
- Wohnort: Augsburg
Re: AFR anzeige mit VDO voltmeter
hab ja die schaltung mit dem 555er nicht verbaut, sondern das teil von conrad und danach noch 78xx teile für 12 und 24 volt.
was liegt am kfz so an?
13,7 volt oder 14,2?
hab ich noch nie gemessen.
was liegt am kfz so an?
13,7 volt oder 14,2?
hab ich noch nie gemessen.
- Dateianhänge
-
- 191060-as-01-de-DC-Spannungswandler.pdf
- (330.18 KiB) 260-mal heruntergeladen
-
- schaltplanpannungswandler.pdf
- (67.98 KiB) 271-mal heruntergeladen
VW Käfer - TYP4 2.4l - MS2 V3Board - MS Extra 2.x
Lambretta Li TS1 - 0.23l - Microsquirt V3 - MS Extra 3.3.2
Serveta SX200 TS1 0.24l Microsquirt V3 MS Extra 3.3.4
VW Käfer 1200 30PS mit Aisin AMR500 Microspuirt V3 MS Extra
Lambretta Li TS1 - 0.23l - Microsquirt V3 - MS Extra 3.3.2
Serveta SX200 TS1 0.24l Microsquirt V3 MS Extra 3.3.4
VW Käfer 1200 30PS mit Aisin AMR500 Microspuirt V3 MS Extra
Re: AFR anzeige mit VDO voltmeter
Wäre aber doch günstiger alles auf einer kleinen SMD Platine zusammen zu haben denke ich.gravedigger hat geschrieben:hab ja die schaltung mit dem 555er nicht verbaut, sondern das teil von conrad und danach noch 78xx teile für 12 und 24 volt.
bei mir sind das 13,4 V das ist aber von Auto zu Auto auch mal anders.gravedigger hat geschrieben:was liegt am kfz so an?
13,7 volt oder 14,2?
hab ich noch nie gemessen.
-
gravedigger
- Beiträge: 1377
- Registriert: Mo Okt 01, 2007 7:31 pm
- Wohnort: Augsburg
Re: AFR anzeige mit VDO voltmeter
ja klar alles auf eine platine.
nur die frage ob es die schaltung mit dem 555 sein muss oder ob die andere besser ist.
das mit dem drehzahlmesser wär schon cool, weil es ja nur ein paar bauteile sind.
würde 3 von den platinen nehmen und ovali sicher auch 1 stück.
nur die frage ob es die schaltung mit dem 555 sein muss oder ob die andere besser ist.
das mit dem drehzahlmesser wär schon cool, weil es ja nur ein paar bauteile sind.
würde 3 von den platinen nehmen und ovali sicher auch 1 stück.
VW Käfer - TYP4 2.4l - MS2 V3Board - MS Extra 2.x
Lambretta Li TS1 - 0.23l - Microsquirt V3 - MS Extra 3.3.2
Serveta SX200 TS1 0.24l Microsquirt V3 MS Extra 3.3.4
VW Käfer 1200 30PS mit Aisin AMR500 Microspuirt V3 MS Extra
Lambretta Li TS1 - 0.23l - Microsquirt V3 - MS Extra 3.3.2
Serveta SX200 TS1 0.24l Microsquirt V3 MS Extra 3.3.4
VW Käfer 1200 30PS mit Aisin AMR500 Microspuirt V3 MS Extra
Re: AFR anzeige mit VDO voltmeter
So, hab mal ein kleines layout gemacht, komme mit 4x4 cm aus denke ich mit SMD.
Später mal Bilder.
Später mal Bilder.
-
gravedigger
- Beiträge: 1377
- Registriert: Mo Okt 01, 2007 7:31 pm
- Wohnort: Augsburg
Re: AFR anzeige mit VDO voltmeter
wer lötet das dann
oder gibt es die schon fertig bestückt?
mir wirds immer ganz anders wenn die kollegen mit grossen lupen am werk sind.
mir wirds immer ganz anders wenn die kollegen mit grossen lupen am werk sind.
VW Käfer - TYP4 2.4l - MS2 V3Board - MS Extra 2.x
Lambretta Li TS1 - 0.23l - Microsquirt V3 - MS Extra 3.3.2
Serveta SX200 TS1 0.24l Microsquirt V3 MS Extra 3.3.4
VW Käfer 1200 30PS mit Aisin AMR500 Microspuirt V3 MS Extra
Lambretta Li TS1 - 0.23l - Microsquirt V3 - MS Extra 3.3.2
Serveta SX200 TS1 0.24l Microsquirt V3 MS Extra 3.3.4
VW Käfer 1200 30PS mit Aisin AMR500 Microspuirt V3 MS Extra
Re: AFR anzeige mit VDO voltmeter
Hallo,
Ist die Geschichte noch Aktuell bzw. ne Platine zu haben?
Gruss,Michi
Ist die Geschichte noch Aktuell bzw. ne Platine zu haben?
Gruss,Michi
Re: AFR anzeige mit VDO voltmeter
Sorry,hatte ich ganz vergessen
Das Platinen ätzen ist dort wo ich es kostenlos machen lassen wollte nicht mehr möglich.
Das irgendwo in Auftrag zu geben wird sich nicht lohnen denke ich.
Gruß TricK
Das Platinen ätzen ist dort wo ich es kostenlos machen lassen wollte nicht mehr möglich.
Das irgendwo in Auftrag zu geben wird sich nicht lohnen denke ich.
Gruß TricK