Zündkennfeld optimieren
-
ChristianK
- Beiträge: 2278
- Registriert: So Jun 29, 2014 8:53 pm
Re: Zündkennfeld optimieren
Jetzt finde ich das kennfeld auch hart! Obwohl der Kolben vorteilhaft geformt ist.
Welche Verdichtung hat der Motor? Welche Nocke?
Welche Verdichtung hat der Motor? Welche Nocke?
Re: Zündkennfeld optimieren
Verdichtung ist in Serie 9.4:1, es fahren auch Leute mit 10:1 rum.
Kompression Sollwert ca. 11.5 bar bei 350 U/min
Steuerzeiten lt. Bucheli Anleitung:
Einlass öffnet 20 Grad vor OT, schließt 45 Grad nach UT = 245 Grad gesamt
Auslass öffnet 50 Grad vor UT, schließt 15 Grad nach OT = 245 Grad gesamt
Überschneidung = 95 Grad
Nockenhöhe jeweils ca. 40.2 mm.
Denkt dran, dass der Motor mit 66x98mm recht kurzhubig ist und bis 10000 dreht.
Kompression Sollwert ca. 11.5 bar bei 350 U/min
Steuerzeiten lt. Bucheli Anleitung:
Einlass öffnet 20 Grad vor OT, schließt 45 Grad nach UT = 245 Grad gesamt
Auslass öffnet 50 Grad vor UT, schließt 15 Grad nach OT = 245 Grad gesamt
Überschneidung = 95 Grad
Nockenhöhe jeweils ca. 40.2 mm.
Denkt dran, dass der Motor mit 66x98mm recht kurzhubig ist und bis 10000 dreht.
Ciao
Martin
----------------
RD350YPVS, Microsquirt, AlphaN
Martin
----------------
RD350YPVS, Microsquirt, AlphaN
-
ChristianK
- Beiträge: 2278
- Registriert: So Jun 29, 2014 8:53 pm
Re: Zündkennfeld optimieren
Also Dachbrennräume mit 10:1, was etwa 12,5bar mit geschlossener Drossel entspricht, liegen meist um die 30-34' max. Die geringere Verdichtung lässt ein wenig mehr Zündung zu.
Wenn das Ding nicht klopft würde ich damit einfach fahren.
Alternativ kann ich sehr empfehlen, ein knocktool zu nutzen!
Wenn das Ding nicht klopft würde ich damit einfach fahren.
Alternativ kann ich sehr empfehlen, ein knocktool zu nutzen!
Zuletzt geändert von ChristianK am Do Sep 24, 2015 6:14 am, insgesamt 1-mal geändert.
Re: Zündkennfeld optimieren
30-34 Grad bei welcher Drehzahl?
Letztlich bedeutet es ja nur eine Zeit die das Gemisch zum Durchbrennen braucht. Wenn das mit gleicher Geschwindigkeit bei deutlich höheren Drehzahlen statt findet, musst man halt früher zünden, damit zum passenden Zeitpunkt der max. Druck anliegt.
Wenn ich z.b. 34@8000 umrechne auf 10000, dann kommt gut 42 raus.
Letztlich bedeutet es ja nur eine Zeit die das Gemisch zum Durchbrennen braucht. Wenn das mit gleicher Geschwindigkeit bei deutlich höheren Drehzahlen statt findet, musst man halt früher zünden, damit zum passenden Zeitpunkt der max. Druck anliegt.
Wenn ich z.b. 34@8000 umrechne auf 10000, dann kommt gut 42 raus.
Ciao
Martin
----------------
RD350YPVS, Microsquirt, AlphaN
Martin
----------------
RD350YPVS, Microsquirt, AlphaN
-
ChristianK
- Beiträge: 2278
- Registriert: So Jun 29, 2014 8:53 pm
Re: Zündkennfeld optimieren
So in etwa die besagten 8000. allerdings könnte ich bei meinem golf beobachten, dass ich ab etwa 4500-9000 kein bisschen mehr Zündung geben konnte, ohne Klopfen zu provozieren. Und etwa da ist Dein kennfeld ja auch ziemlich ausgeregelt. Ab da bleibt drin zzp ja in etwa konstant.
Re: Zündkennfeld optimieren
Ich bin platt wie viel Vorzuendung die Motoren verkraften.
Sowohl mein kleiner Mini (herzfoermige Brennraeume mit aufgepraegter Quetschkante, 256/266, max 32 Grad), als auch der kleine 1.2 Opel 16V (dachfoermig, VVT, max 32 Grad) fahren aeusserst zahme Vorzuendung im Vergleich. Es scheint mir als ob Steuerzeiten einen extrem grossen Einfluss haben. (Wobei die Duc eigentlich relativ scharfe Steuerzeiten hat 277/274, max 28 Grad).
Wohlgemerkt: Immer 100kpa Druck.
Sowohl mein kleiner Mini (herzfoermige Brennraeume mit aufgepraegter Quetschkante, 256/266, max 32 Grad), als auch der kleine 1.2 Opel 16V (dachfoermig, VVT, max 32 Grad) fahren aeusserst zahme Vorzuendung im Vergleich. Es scheint mir als ob Steuerzeiten einen extrem grossen Einfluss haben. (Wobei die Duc eigentlich relativ scharfe Steuerzeiten hat 277/274, max 28 Grad).
Wohlgemerkt: Immer 100kpa Druck.
-Kein Auto mehr mit MS1 auf der Strasse, alle abgemeldet in der Garage.
-
ChristianK
- Beiträge: 2278
- Registriert: So Jun 29, 2014 8:53 pm
Re: Zündkennfeld optimieren
Das trifft es nicht so ganz. Maßgeblich ist die eher die effektive Verdichtung. Also die rechnerische Verdichtung abzgl. Der Spülverluste durch Steuerzeiten. Und halt noch die Brennraumform.
Am golf mit 8v wannenbrennraum habe ich so langsam alle Zündkurven durch.
Z.B. Verdichtung 10,4:1 276er schrick mit 11,3mm hub max. 45' Zündung.
Verdichtung 12,3:1 276er Welle 11,3mm Max. 24' Zündung.
Verdichtung 12,3:1 320er Welle 12,9mm Max. 30' Zündung. Wobei hier dann auf itb umgestellt wurde. Mit Sammelsaugrohr wäre es wahrscheinlich 1-2' mehr.
Am golf mit 8v wannenbrennraum habe ich so langsam alle Zündkurven durch.
Z.B. Verdichtung 10,4:1 276er schrick mit 11,3mm hub max. 45' Zündung.
Verdichtung 12,3:1 276er Welle 11,3mm Max. 24' Zündung.
Verdichtung 12,3:1 320er Welle 12,9mm Max. 30' Zündung. Wobei hier dann auf itb umgestellt wurde. Mit Sammelsaugrohr wäre es wahrscheinlich 1-2' mehr.
Re: Zündkennfeld optimieren
Ich habe jetzt noch eine CDI zum auslesen bekommen, die ca. 16000 km auf einer VTR gelaufen ist.
Es war kein TPS aktiv, daher habe ich die Kennlinie auf alle TPS Spalten erweitert um eine Vergleichsfläche zu bekommen.
Das Kennfeld ist zahmer als meins, aber bei Vollast sogar schärfer.

Es war kein TPS aktiv, daher habe ich die Kennlinie auf alle TPS Spalten erweitert um eine Vergleichsfläche zu bekommen.
Das Kennfeld ist zahmer als meins, aber bei Vollast sogar schärfer.
Ciao
Martin
----------------
RD350YPVS, Microsquirt, AlphaN
Martin
----------------
RD350YPVS, Microsquirt, AlphaN
Re: Zündkennfeld optimieren
Was waren da für Vergaser verbaut ?
Bei gleichdruckvergasern hast du einen anderen fullungsverlauf als mit Flachschieber oder EFI ohne sec.klappen.
Bei gleichdruckvergasern hast du einen anderen fullungsverlauf als mit Flachschieber oder EFI ohne sec.klappen.
Re: Zündkennfeld optimieren
Da sind die Serien-Gleichdruck-Vergaser drauf.
Durchlass 48 mm.
Die Nachfolger VTR 1000 SP1 und 2 haben Einspritzung.
Durchlass 48 mm.
Die Nachfolger VTR 1000 SP1 und 2 haben Einspritzung.
Ciao
Martin
----------------
RD350YPVS, Microsquirt, AlphaN
Martin
----------------
RD350YPVS, Microsquirt, AlphaN
Re: Zündkennfeld optimieren
Ich meinte von demjenigen,von der zundmap ohne TPS.
Re: Zündkennfeld optimieren
Das ist auch auf der F gelaufen, d.h. Gleichdruck-Vergaser.
Ciao
Martin
----------------
RD350YPVS, Microsquirt, AlphaN
Martin
----------------
RD350YPVS, Microsquirt, AlphaN
Re: Zündkennfeld optimieren
ich frage wegen der angabe,daß kein tps aktiv war.
macht für mich,im ersten,keinen sinn.
macht für mich,im ersten,keinen sinn.
Re: Zündkennfeld optimieren
Für mich schon, aber dafür muss ich etwas ausholen:
Die Box, die ich habe ist eine TCI, also eine "Transistorzündung".
Dafür gibt es inzwischen vom Anbieter einen Adapterkabelbaum, der das Ding plug&play macht.
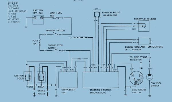
Diese Box nutzt natürlich (fast) alle serienmäßig vorhanden Gimmicks wie Seitenständerschalter oder eben auch ein TPS.
Die Box, aus der das andere Kennfeld ausgelesen wurde, ist eine CDI (aka "Hochspannungs-Kondensatorzündung").
Die VTR hat nämlich 2 "Zündboxen", also ein Steuer- und ein Leistungsteil. Mit der CDI kann man beide Boxen mit einer einzigen ersetzen.
Dafür gab es aber anscheinend seinerzeit keinen Adapter und so wurde das Ding "per Hand" angefrickelt.
(Wenn ihr das Bild des Kabelbaums gesehen hättet, würdet ihr die Wortwahl verstehen).
Bei der Aktion hat der Schrauber garantiert entweder die Info nicht gehabt, wo die TPS Kabel abzugreifen sind, oder schlicht keinen Bock gehabt das mit abzustimmen.
Die Box, die ich habe ist eine TCI, also eine "Transistorzündung".
Dafür gibt es inzwischen vom Anbieter einen Adapterkabelbaum, der das Ding plug&play macht.
Diese Box nutzt natürlich (fast) alle serienmäßig vorhanden Gimmicks wie Seitenständerschalter oder eben auch ein TPS.
Die Box, aus der das andere Kennfeld ausgelesen wurde, ist eine CDI (aka "Hochspannungs-Kondensatorzündung").
Die VTR hat nämlich 2 "Zündboxen", also ein Steuer- und ein Leistungsteil. Mit der CDI kann man beide Boxen mit einer einzigen ersetzen.
Dafür gab es aber anscheinend seinerzeit keinen Adapter und so wurde das Ding "per Hand" angefrickelt.
(Wenn ihr das Bild des Kabelbaums gesehen hättet, würdet ihr die Wortwahl verstehen).
Bei der Aktion hat der Schrauber garantiert entweder die Info nicht gehabt, wo die TPS Kabel abzugreifen sind, oder schlicht keinen Bock gehabt das mit abzustimmen.
Ciao
Martin
----------------
RD350YPVS, Microsquirt, AlphaN
Martin
----------------
RD350YPVS, Microsquirt, AlphaN