Ansaugbrücken planung????
Ansaugbrücken planung????
moin
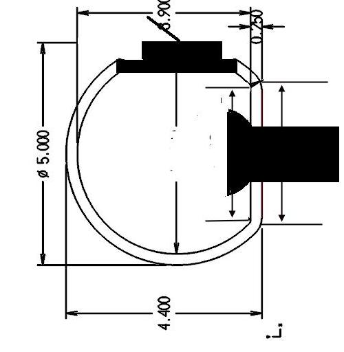
möchte mir ne ansaugbrücke basteln.
kann so etwas wie unten im bild funktionieren???
seitlich die graden ansaugrohre und oben mittig die drosselklappe??
tipps??
gruß
möchte mir ne ansaugbrücke basteln.
kann so etwas wie unten im bild funktionieren???
seitlich die graden ansaugrohre und oben mittig die drosselklappe??
tipps??
gruß
- Dateianhänge
-
- dplenumsize1.JPG (46.27 KiB) 10737 mal betrachtet
Mercedes 230 - 2.6l 8v
Verdichtung 11-1
Umc II
Lambdacontroller Zeitronix Zt2 mit Egt
Wasted Spark Bosch Motorsport ...407
MSExtra 3.1.1
Tuner Studio MS v 1.14
Verdichtung 11-1
Umc II
Lambdacontroller Zeitronix Zt2 mit Egt
Wasted Spark Bosch Motorsport ...407
MSExtra 3.1.1
Tuner Studio MS v 1.14
Re: Ansaugbrücken planung????
in welchen Einheiten sind denn die Maße angegeben?
Sollte von der Anordnung so klappen. Die Resonazwelle ist deutlich schneller als die Strömund durch die DK. Hab selber mal Test gemacht. läuft!
Beim Volumen kann man ganz gut die Faustformel "Hubraum [L] x 10 = Airboxvolumen" heranziehen. Größer ist immer besser, bringt aber nicht mehr merkliche Sprünge. Das Ansprechverhalten wird mit großem Volumen theoretisch schlechter...
in der Breite sollest Du mehr Abstand zwischen den äußeren Saugrohren und der Wand lassen. Bei Audi Motorsport habe ich mal die Empfelung gehört "+1/2 Zylinderabstand zuschlag".
Ob Du das in dem Serien Motorraum unterbekommst musste sehen...
Grüße, H
Sollte von der Anordnung so klappen. Die Resonazwelle ist deutlich schneller als die Strömund durch die DK. Hab selber mal Test gemacht. läuft!
Beim Volumen kann man ganz gut die Faustformel "Hubraum [L] x 10 = Airboxvolumen" heranziehen. Größer ist immer besser, bringt aber nicht mehr merkliche Sprünge. Das Ansprechverhalten wird mit großem Volumen theoretisch schlechter...
in der Breite sollest Du mehr Abstand zwischen den äußeren Saugrohren und der Wand lassen. Bei Audi Motorsport habe ich mal die Empfelung gehört "+1/2 Zylinderabstand zuschlag".
Ob Du das in dem Serien Motorraum unterbekommst musste sehen...
Grüße, H
Re: Ansaugbrücken planung????
das sind inch.
müsste gehen denn das originale ist schon lang.
du meinst den abstand vom letzten rohr link u.rechts zum plenums-ende??
an innen volumen vom plenum dachte ich so an ca:3liter.ohne saugrohre natürlich.
wäre es besser die saugrohre an die flache seite an zu flanschen??
für die drosselklappe könnte man ja auf der abgerundeten seite ne platte anbringen.
also quasi so wie unten.
gruß
müsste gehen denn das originale ist schon lang.
du meinst den abstand vom letzten rohr link u.rechts zum plenums-ende??
an innen volumen vom plenum dachte ich so an ca:3liter.ohne saugrohre natürlich.
wäre es besser die saugrohre an die flache seite an zu flanschen??
für die drosselklappe könnte man ja auf der abgerundeten seite ne platte anbringen.
also quasi so wie unten.
gruß
- Dateianhänge
-
- dplenumsize2.JPG (24.32 KiB) 10719 mal betrachtet
Mercedes 230 - 2.6l 8v
Verdichtung 11-1
Umc II
Lambdacontroller Zeitronix Zt2 mit Egt
Wasted Spark Bosch Motorsport ...407
MSExtra 3.1.1
Tuner Studio MS v 1.14
Verdichtung 11-1
Umc II
Lambdacontroller Zeitronix Zt2 mit Egt
Wasted Spark Bosch Motorsport ...407
MSExtra 3.1.1
Tuner Studio MS v 1.14
Re: Ansaugbrücken planung????
Ahh, okxtime hat geschrieben:das sind inch.
gute Voraussetzungxtime hat geschrieben:müsste gehen denn das originale ist schon lang.
Japp, mitte Saugroh zur Außenwand des Plenumsxtime hat geschrieben:meinst den abstand vom letzten rohr link u.rechts zum plenums-ende??
Das wird viel zu wenig sein, für eine saubere Reflexin der Resonanzwelle.xtime hat geschrieben:an innen volumen vom plenum dachte ich so an ca:3liter.ohne saugrohre natürlich.
Nein schlechter! Der Saugwiederstand eines frei liegenden Trichters ist geringer als der eines der in einer Fläche liegt. Die Trichter müssen sich auch noch in die Andre Richung krümmen. 90° winkel mit weichem Radiusxtime hat geschrieben:wäre es besser die saugrohre an die flache seite an zu flanschen??
Die Saugprücken von den japanischen Supersportlern sind auf hohem Niveau. Da findet man diese Konstruktionshinweise auch umgesetzt.
sonst hier man reinschauen. Ist allerdings mit Air-restriktor. Der Diffusor ingeressiert Dich hier nicht.
http://www.google.com/url?sa=t&rct=j&q= ... 9A&cad=rja
Re: Ansaugbrücken planung????
ich hab vier ansaugtrichter innen 45 außen knapp 80mm die ich da reinbauen will.
das mit der lavaldüse is mal nicht schlecht.....................................
das ne einzeldrossel -airbox -kombi mehr volumen benötigt leuchtet mir ein-------aber ein plenumsaugrohr?????
in der üblichen literatur werden die saugrohr durchmesser und längen beschrieben, doch über die plenumvolumen ist leider nichts zu finden.
gruß
das mit der lavaldüse is mal nicht schlecht.....................................
das ne einzeldrossel -airbox -kombi mehr volumen benötigt leuchtet mir ein-------aber ein plenumsaugrohr?????
in der üblichen literatur werden die saugrohr durchmesser und längen beschrieben, doch über die plenumvolumen ist leider nichts zu finden.
gruß
Mercedes 230 - 2.6l 8v
Verdichtung 11-1
Umc II
Lambdacontroller Zeitronix Zt2 mit Egt
Wasted Spark Bosch Motorsport ...407
MSExtra 3.1.1
Tuner Studio MS v 1.14
Verdichtung 11-1
Umc II
Lambdacontroller Zeitronix Zt2 mit Egt
Wasted Spark Bosch Motorsport ...407
MSExtra 3.1.1
Tuner Studio MS v 1.14
-
Richard004
- Beiträge: 1181
- Registriert: Sa Nov 29, 2008 12:04 am
Re: Ansaugbrücken planung????
ich kenn das so wie zb hier beschrieben
http://www.vw-kaeferclub.com/technik/tipps/ansaug.html
bzw
"Berechnung:
Das Volumen des Plenum optimiert für hohe Drehzahlen sollte zwischen 1.2 bis 1.5 Mal der Hubraum sein: z.B.: 2.0 Liter x 1.5 = 3.0 Liter Volumen
Für einen guten mittleren Drehzahlbereich (bis ca. 6700 U/min) sollte das Volumen 0.9 bis 1.2 Mal der Hubraum sein. Am besten ist eigentlich der gleiche Hubraum wie der Motor: 2.0 Liter Motor = 2 Liter Plenum-Volumen.
Für Motoren, die im niedrigen bis hohen Drehzahlbereich optimiert werden sollen (bis 5000 U/min) gilt: 0.7 bis 0.9. Manchmal sogar bis 0.5 Mal Hubraum.
Für die meisten Motoren langt ein Plenum-Volumen das gleich groß ist wie der Motorhubraum. Wenn du 8000und mehr drehst, dann so um die 1.2-1.5 Mal der Hubraum. Ein Motor, der so hoch dreht, entfaltet seine Leistung sowieso erst ab 4000 oder 5000 Umdrehungen.
Die Länge und der Querschnitt der Ansaugrohre
Die Länge beeinflusst die Leistung über einen bestimmten aber schmalen Drehzahlbereich. Das heißt, über den Bereich, für die es berechnet wurde.
Der Querschnitt / Durchmesser jedoch beeinflusst die Leistung über den gesamten Drehzahlbereich. Die beiden sind aber von einander abhängig: ein langes dünnes Ansaugrohr ist für niedrige Drehzahlen und Drehmoment. Kurz und dick für hohe Drehzahlen. Trotzdem ist die Berechnung wichtig, weil der Motor auch fahrbar und abstimmbar sein soll.
Die Wellen gehen durch das geöffnete Einlassventil 4 Mal. Man kann dann die verschiedenen Durchgänge nutzen bzw. das Rohr auf diese Durchgänge berechnen und dadurch die Länge kalkulieren. Also hier eine bewährte Daumenregel:
Der Querschnitt vom Ansaugrohr sollte derselbe sein wie der Querschnitt vom Einlasskanal. Oder auch 80% vom Einlassventil. Wieso 80? Das Einlassventil ist der größte Widerstand im Kanal. Durch ein Ventil fließt 80% soviel wie durch den Einlasskanal bei einem gut bearbeiteten Kopf. Jetzt weißt du, warum man einen Flowbench braucht, um einen Zylinderkopf zu bearbeiten - weil das alles mit einander zusammen hängt.
Die Länge des Ansaugrohrs ergibt sich aus dem Volumen.
Das Volumen des Ansaugrohrs ist das eines Zylinders (Bohrung x Bohrung x Pi x Hub)
Bei 2.0 Liter und 35mm Querschnitt ergibt die Länge ca. 52 cm "
http://www.vw-kaeferclub.com/technik/tipps/ansaug.html
bzw
"Berechnung:
Das Volumen des Plenum optimiert für hohe Drehzahlen sollte zwischen 1.2 bis 1.5 Mal der Hubraum sein: z.B.: 2.0 Liter x 1.5 = 3.0 Liter Volumen
Für einen guten mittleren Drehzahlbereich (bis ca. 6700 U/min) sollte das Volumen 0.9 bis 1.2 Mal der Hubraum sein. Am besten ist eigentlich der gleiche Hubraum wie der Motor: 2.0 Liter Motor = 2 Liter Plenum-Volumen.
Für Motoren, die im niedrigen bis hohen Drehzahlbereich optimiert werden sollen (bis 5000 U/min) gilt: 0.7 bis 0.9. Manchmal sogar bis 0.5 Mal Hubraum.
Für die meisten Motoren langt ein Plenum-Volumen das gleich groß ist wie der Motorhubraum. Wenn du 8000und mehr drehst, dann so um die 1.2-1.5 Mal der Hubraum. Ein Motor, der so hoch dreht, entfaltet seine Leistung sowieso erst ab 4000 oder 5000 Umdrehungen.
Die Länge und der Querschnitt der Ansaugrohre
Die Länge beeinflusst die Leistung über einen bestimmten aber schmalen Drehzahlbereich. Das heißt, über den Bereich, für die es berechnet wurde.
Der Querschnitt / Durchmesser jedoch beeinflusst die Leistung über den gesamten Drehzahlbereich. Die beiden sind aber von einander abhängig: ein langes dünnes Ansaugrohr ist für niedrige Drehzahlen und Drehmoment. Kurz und dick für hohe Drehzahlen. Trotzdem ist die Berechnung wichtig, weil der Motor auch fahrbar und abstimmbar sein soll.
Die Wellen gehen durch das geöffnete Einlassventil 4 Mal. Man kann dann die verschiedenen Durchgänge nutzen bzw. das Rohr auf diese Durchgänge berechnen und dadurch die Länge kalkulieren. Also hier eine bewährte Daumenregel:
Der Querschnitt vom Ansaugrohr sollte derselbe sein wie der Querschnitt vom Einlasskanal. Oder auch 80% vom Einlassventil. Wieso 80? Das Einlassventil ist der größte Widerstand im Kanal. Durch ein Ventil fließt 80% soviel wie durch den Einlasskanal bei einem gut bearbeiteten Kopf. Jetzt weißt du, warum man einen Flowbench braucht, um einen Zylinderkopf zu bearbeiten - weil das alles mit einander zusammen hängt.
Die Länge des Ansaugrohrs ergibt sich aus dem Volumen.
Das Volumen des Ansaugrohrs ist das eines Zylinders (Bohrung x Bohrung x Pi x Hub)
Bei 2.0 Liter und 35mm Querschnitt ergibt die Länge ca. 52 cm "
Alfa GTV 2,0v6 Turbo mit schlechtem Tuning
Fiat/Peugeot/Citrön 2,0 8v Turbo
Micro Entwicklerboard
http://www.breitband-lambda.de/
AGT Messboard von Metaworld82
Landi Renzo LPG
Tuner Studio MS(Beta) v 2.05c MS2/Extra Release Gslender 2.7
Fiat/Peugeot/Citrön 2,0 8v Turbo
Micro Entwicklerboard
http://www.breitband-lambda.de/
AGT Messboard von Metaworld82
Landi Renzo LPG
Tuner Studio MS(Beta) v 2.05c MS2/Extra Release Gslender 2.7
Re: Ansaugbrücken planung????
ja das kenn ich schon von den käfer leuten.
da scheint das zu funktionieren.hab mich mit dem der das geschrieben hat im käfer -board unterhalten.
die originale saugbrücke hat zu viele winkel und bögen weil ja dazwischen noch das stauscheibengehäuse der ke sitzt.
das möchte ich jetzt ein wenig entwirren.
da der luftfilter oben drauf sitzt und ich die originale optik nicht ganz verlieren will, möchte ich die rohre gerade aus dem kopf ins plenum laufen lassen mit der drosselklappe oben auf.
da scheint das zu funktionieren.hab mich mit dem der das geschrieben hat im käfer -board unterhalten.
die originale saugbrücke hat zu viele winkel und bögen weil ja dazwischen noch das stauscheibengehäuse der ke sitzt.
das möchte ich jetzt ein wenig entwirren.
da der luftfilter oben drauf sitzt und ich die originale optik nicht ganz verlieren will, möchte ich die rohre gerade aus dem kopf ins plenum laufen lassen mit der drosselklappe oben auf.
Mercedes 230 - 2.6l 8v
Verdichtung 11-1
Umc II
Lambdacontroller Zeitronix Zt2 mit Egt
Wasted Spark Bosch Motorsport ...407
MSExtra 3.1.1
Tuner Studio MS v 1.14
Verdichtung 11-1
Umc II
Lambdacontroller Zeitronix Zt2 mit Egt
Wasted Spark Bosch Motorsport ...407
MSExtra 3.1.1
Tuner Studio MS v 1.14
Re: Ansaugbrücken planung????
... ist alles nicht so daneben.
Ich denke ich bin durch den Rennsport doch gedanklich sehr auf "Spitze" Werte getrimmt. Die Versuche haben alle auf einem Motorprüfstand stattgefunden. Nach 3 Monaten hatten wir +4% Torque und +15% Band gefunden
Für die Straße macht das alles keinen Sinn.
Bei mein meiner Schlurre störe ich mich eigendlich auch nicht daran, dass Ihr 70kW auf Seriennennleistung fehlen
Ich denke ich bin durch den Rennsport doch gedanklich sehr auf "Spitze" Werte getrimmt. Die Versuche haben alle auf einem Motorprüfstand stattgefunden. Nach 3 Monaten hatten wir +4% Torque und +15% Band gefunden
Bei mein meiner Schlurre störe ich mich eigendlich auch nicht daran, dass Ihr 70kW auf Seriennennleistung fehlen
Re: Ansaugbrücken planung????
wir haben an dem motor schon so viel geändert...............................und vor allen dingen alles neu teile................................
aber was will man machen wenns einem langweilig ist.
Mercedes 230 - 2.6l 8v
Verdichtung 11-1
Umc II
Lambdacontroller Zeitronix Zt2 mit Egt
Wasted Spark Bosch Motorsport ...407
MSExtra 3.1.1
Tuner Studio MS v 1.14
Verdichtung 11-1
Umc II
Lambdacontroller Zeitronix Zt2 mit Egt
Wasted Spark Bosch Motorsport ...407
MSExtra 3.1.1
Tuner Studio MS v 1.14
Re: Ansaugbrücken planung????
Hi.
Wie wäre es mit Einzeldrosselklappen? Dann kannste auch interessantere Nockenwellen fahren
Pigga
Wie wäre es mit Einzeldrosselklappen? Dann kannste auch interessantere Nockenwellen fahren
Pigga
-
Richard004
- Beiträge: 1181
- Registriert: Sa Nov 29, 2008 12:04 am
Re: Ansaugbrücken planung????
Alfa GTV 2,0v6 Turbo mit schlechtem Tuning
Fiat/Peugeot/Citrön 2,0 8v Turbo
Micro Entwicklerboard
http://www.breitband-lambda.de/
AGT Messboard von Metaworld82
Landi Renzo LPG
Tuner Studio MS(Beta) v 2.05c MS2/Extra Release Gslender 2.7
Fiat/Peugeot/Citrön 2,0 8v Turbo
Micro Entwicklerboard
http://www.breitband-lambda.de/
AGT Messboard von Metaworld82
Landi Renzo LPG
Tuner Studio MS(Beta) v 2.05c MS2/Extra Release Gslender 2.7
Re: Ansaugbrücken planung????
ja ne edka das wär was nur hab ich dafür das falsche auto.
aber der tüv vesteht nicht soviel spaß wie ich.
und ein agg machen ist mir der spaß net wert.
so im hinterkopf schwebt mir ja immer noch ein 300 24v vor mit edka.der dreht von haus aus über 7000.
wenn man den noch fit machen würde.............. 
aber der tüv vesteht nicht soviel spaß wie ich.
und ein agg machen ist mir der spaß net wert.
so im hinterkopf schwebt mir ja immer noch ein 300 24v vor mit edka.der dreht von haus aus über 7000.
Mercedes 230 - 2.6l 8v
Verdichtung 11-1
Umc II
Lambdacontroller Zeitronix Zt2 mit Egt
Wasted Spark Bosch Motorsport ...407
MSExtra 3.1.1
Tuner Studio MS v 1.14
Verdichtung 11-1
Umc II
Lambdacontroller Zeitronix Zt2 mit Egt
Wasted Spark Bosch Motorsport ...407
MSExtra 3.1.1
Tuner Studio MS v 1.14
Re: Ansaugbrücken planung????
Mercedes 230 - 2.6l 8v
Verdichtung 11-1
Umc II
Lambdacontroller Zeitronix Zt2 mit Egt
Wasted Spark Bosch Motorsport ...407
MSExtra 3.1.1
Tuner Studio MS v 1.14
Verdichtung 11-1
Umc II
Lambdacontroller Zeitronix Zt2 mit Egt
Wasted Spark Bosch Motorsport ...407
MSExtra 3.1.1
Tuner Studio MS v 1.14
Re: Ansaugbrücken planung????
TS 2.0.6 - MLV MS 3.3.02
-----------------------------------------
neues Projekt:
Turbo mit 16V
POWERED BY MS3
-----------------------------------------
neues Projekt:
Turbo mit 16V
POWERED BY MS3
-
Richard004
- Beiträge: 1181
- Registriert: Sa Nov 29, 2008 12:04 am
Re: Ansaugbrücken planung????
kann ich leider nicht
hab ich nur so im netz gefunden und stand nichts weiter dabei.
aber wenn die Modelbauer auf Dmax sehe ist das gar nicht so ein Hexenwerk das selber zu bauen (ohne die berechnung)
die machen das dort mit einer Folie und Vakum.
Die Schnellverschlüsse sind standartteile
aber wenn die Modelbauer auf Dmax sehe ist das gar nicht so ein Hexenwerk das selber zu bauen (ohne die berechnung)
die machen das dort mit einer Folie und Vakum.
Die Schnellverschlüsse sind standartteile
Alfa GTV 2,0v6 Turbo mit schlechtem Tuning
Fiat/Peugeot/Citrön 2,0 8v Turbo
Micro Entwicklerboard
http://www.breitband-lambda.de/
AGT Messboard von Metaworld82
Landi Renzo LPG
Tuner Studio MS(Beta) v 2.05c MS2/Extra Release Gslender 2.7
Fiat/Peugeot/Citrön 2,0 8v Turbo
Micro Entwicklerboard
http://www.breitband-lambda.de/
AGT Messboard von Metaworld82
Landi Renzo LPG
Tuner Studio MS(Beta) v 2.05c MS2/Extra Release Gslender 2.7
