MS3X Probleme mit Idle, VVT, Tacho, Boost...

Antworten
dj-seak
Beiträge: 30
Registriert: Fr Feb 10, 2012 9:48 pm

MS3X Probleme mit Idle, VVT, Tacho, Boost...

Beitrag von dj-seak »

Hallo,
leider macht meine MS3X Probleme :( :
Vor gut drei Wochen fing alles an. Der Drehzahlmesser fing an zu spinnen, mal tat er, mal nicht und irgendwann zappelt der nur noch durch die gegend (Pin: 26 Tacho MS3 Expansion Board). Ich hatte zunächst den Drehzahlmesser in verdacht, aber..
Dann vor zwei Wochen kommen Probleme mit der Leerlaufregelung hinzu, der Leerlauf war plötzlich viel zu hoch. Die Probleme konnte ich dann vorerst mithilfe von Tuner Studio durch ändern von Parametern lösen. (Ich nutze den 2 Poligen Leerlaufregler an Pin: 9 Idle Expansion Board) Warum die Einstellungen plötzlich nicht mehr passten schien schon sehr verdächtig..
Seit einigen Tagen hatte ich dann Probleme mit der Ansteuerung des E-Lüfter (Pin: 27 VVT Expansion Board - Relais - Lüfter) Nach Abschalten des Motors lief der noch einige Sekunden nach.
Heute dann alle Probleme auf einmal: Leerlaufregelung bekomme ich gar nicht mehr im Griff und der Lüfter ist dauerhaft geschaltet. Mit Pin 6 Boost steuer ich über ein Relais noch die Sicherheitsventile meiner Gasanlage an, auch dieser Ausgang ist dauerhaft geschaltet.
Bei der heutigen Fehlerdiagnose konnte ich das Problem nicht Orten. Ich denke es liegt ein Hardwareproblem vor!?
Alles scheint in Ordnung, Kabelbaum, Stromversorgung,... auch auf den Platinen der Megasquirt ist nichts verdächtiges zu sehen. Firmware von 1.2.0 auf 1.2.3 geändert, nix hat sich geändert. Alles andere Funktioniert tadellos: Zündung, Einspritung Gas und Benzin, Sensoren, Klopf Modul etc..
Liegt eventuell ein Problem mit der CPU oder dem Expansion Board vor? :?: Hab schon in den Schaltplänen geguckt, bin aber nicht sonderlich fitt darin: http://www.msextra.com/doc/general/ms3v3schems.html#p1

Ich hoffe es kann mir jemand helfen
Gruß dj-seak
derOJ
Beiträge: 467
Registriert: Mo Jan 02, 2012 8:06 pm

Re: MS3X Probleme mit Idle, VVT, Tacho, Boost...

Beitrag von derOJ »

Vielleicht geht ja einfach deine Batterie kaputt :mrgreen:
E30 M50B25 COP Wasted Spark, TunerStudio v2.05 registered, Knödler Lambdacontroller V3.3, Bluetooth
Holset HX35 0,8bar
dj-seak
Beiträge: 30
Registriert: Fr Feb 10, 2012 9:48 pm

Re: MS3X Probleme mit Idle, VVT, Tacho, Boost...

Beitrag von dj-seak »

Hallo und vielen Dank für den Tipp. Leider ist die Batterie nicht kaputt, habe sie soeben getauscht und alles ist beim alten. :(
Was komisch ist: selbst wenn ich nur den Stecker vom Erweiterungsboard einstecke, und die Megasquirt somit keine Versorgungsspannung bekommt, schaltet das Relais vom Lüfter durch..
_Tom_
Beiträge: 400
Registriert: Mo Aug 27, 2007 1:09 am

Re: MS3X Probleme mit Idle, VVT, Tacho, Boost...

Beitrag von _Tom_ »

Hallo,

hatte mal das Problem das sich das MS3 Board mit der CPU vom Sockel gelöst hatte. Da ging Die Benzinpumpe nur wenn sie lust hatte. Die Temperaturwerte von Wasser und Luft stiegen proportional zur Drehzahl mit an. Das Auto stand dabei auf dem Prüfstand. Erfolglos haben wir den Prüfstandsbesuch dann abgebrochen. War eine doofe, teure und peinliche Nummer..... :roll:
Zuhaus hab ich dann den halben Kabelbaum erneuert weil sich auch noch Störungen wegen fehlender CPU Masse dazugesellt hatten. Dabei hätte ich nur die CPU wieder befestigen müssen.
Die original Befestigung mit den Gewindeadaptern auf der Kühlblechseite der MS ist mangelhaft. Das funktioniert nur wenn man die MS im Auto nicht über Kopf verbaut.
Nun habe ich eine zusätzliche Schraube durch die noch freien Löcher von Hauptplatine und MS3 CPU gesteckt und mit einer Stop-Mutter versehen. Die Bohrungen sind zwar nicht ganz deckungsgleich aber passen tut es trotzdem. Jetzt hat es auch mit dem Prüfstand geklappt.

Gruß _Tom_
läuft...
dj-seak
Beiträge: 30
Registriert: Fr Feb 10, 2012 9:48 pm

Re: MS3X Probleme mit Idle, VVT, Tacho, Boost...

Beitrag von dj-seak »

Hallo Tom,
vielen Dank für den Tipp! Meine Megasquirt hängt auf dem Kopf... :? Ich werde gleich mal gucken!
Danke,
dj seak
dj-seak
Beiträge: 30
Registriert: Fr Feb 10, 2012 9:48 pm

Re: MS3X Probleme mit Idle, VVT, Tacho, Boost...

Beitrag von dj-seak »

Hallo,
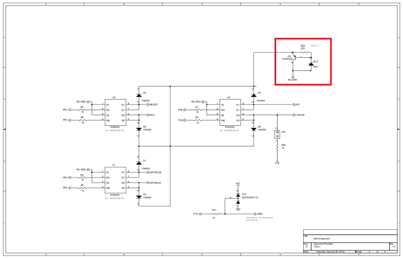
so Fehler ist mit großer Sicherheit endlich gefunden :!: Auf der Ms3X Erweiterungskarte ist minestens ein Bauteil (Q3) defekt. Warum es zu dem Schaden gekommen ist, muss ich noch analysieren. Ich vermute aber, dass es bei einem der medium current PWM ground switching outputs (Nitrous 1, Boost, Nitrous 2, Tacho, VVT, Idle) einen Kurzschluss gab, der das Bauteil Q3 zerschossen hat. Leider habe ich es bei der Erstellung des Kabelbaums versäumt, diese Ausgänge einzelnd mit 1A abzusichern. :x Das werde ich vor Einbau einer neuen Karte jetzt selbstversändlich nachrüsten..
Hat jemand schonmal einen ähnlichen Schaden gehabt und Erfahrung damit? Es wird wohl wenig Sinn machen, an der defekten Karte rumzlöten um das defekte Bauteil zu tauschen?
Gruß dj-seak
Dateianhänge
ms3x_schem3 - Kopie.png
ms3x_schem3 - Kopie.png (38.75 KiB) 9248 mal betrachtet
Q3 defekt.jpg
Q3 defekt.jpg (101.81 KiB) 9248 mal betrachtet
derOJ
Beiträge: 467
Registriert: Mo Jan 02, 2012 8:06 pm

Re: MS3X Probleme mit Idle, VVT, Tacho, Boost...

Beitrag von derOJ »

Ich würds auf jeden Fall mal versuchen das aus zu löten. Hat ja nur drei Pins der Transistor.
E30 M50B25 COP Wasted Spark, TunerStudio v2.05 registered, Knödler Lambdacontroller V3.3, Bluetooth
Holset HX35 0,8bar
Benutzeravatar
Metaworld82
Beiträge: 775
Registriert: Mi Okt 04, 2006 7:18 pm
Wohnort: Kronach

Re: MS3X Probleme mit Idle, VVT, Tacho, Boost...

Beitrag von Metaworld82 »

Mmh macht ein bisschen Probleme das Bauteil. Vermutlich sind deine Ausschaltinduktionen zu groß den dafür ist der da. Ich sollte normal sogar noch einen haben.

Mffg
Biete Zusatzborads für 4-Bar Map Sensor incl. Barokorrekt, AGT Anzeigen für MS/KDFI, Sequi Umbau, mehr auf Anfrage möglich.

Projekt: Calibra Turbo powerd by Netics GT-K 450, Laminova Ansaugbrücke, MS3, Sequi Einspritzung, COP, 4XAGT, I/O Extender MS..
dj-seak
Beiträge: 30
Registriert: Fr Feb 10, 2012 9:48 pm

Re: MS3X Probleme mit Idle, VVT, Tacho, Boost...

Beitrag von dj-seak »

Dann werde ich doch erst versuchen das Bauteil zu tauschen. Es steht folgendes drauf: 1A16AC MJD 45H11. Ist das ein solcher?: http://cgi.ebay.de/ws/eBayISAPI.dll?Vie ... ink:top:de?
Was kann ich tun, damit ich das Problem beseitige? Sicherungen einbauen? Induktion senken?, wenn ja wie? (Ich steuer mit den Ausgängen drei Relais, den LLR, den Drehzahlmesser und eine LED an.)

Vielen Dank für eure Hilfe,
dj-seak
Benutzeravatar
Metaworld82
Beiträge: 775
Registriert: Mi Okt 04, 2006 7:18 pm
Wohnort: Kronach

Re: MS3X Probleme mit Idle, VVT, Tacho, Boost...

Beitrag von Metaworld82 »

KSH42C ist der Typ und kostet ca 80 Cent. Besser bekannt als TIP42C. Der KSH42C ist halt ein DPAK Gehäuse. Ich habe einen da. Der Kaputte Q3 kommt meiner Meinung nach vom Leerlaufsteller. Hast mal ein Bild von den Teilen. Die Ausschaltinduktionen von denen sind nicht ganz Ohne und aufgrund der etwas dürftigen Schaltung auf der MS3-X fliegt da schon mal ein Q3 :D
Mach zum Leerlaufregler nochmal ne Freilaufdiode und gut ist..
Biete Zusatzborads für 4-Bar Map Sensor incl. Barokorrekt, AGT Anzeigen für MS/KDFI, Sequi Umbau, mehr auf Anfrage möglich.

Projekt: Calibra Turbo powerd by Netics GT-K 450, Laminova Ansaugbrücke, MS3, Sequi Einspritzung, COP, 4XAGT, I/O Extender MS..
tooly
Beiträge: 1090
Registriert: Do Aug 23, 2007 11:09 am

Re: MS3X Probleme mit Idle, VVT, Tacho, Boost...

Beitrag von tooly »

löte q3/r69 aus und leg pin3 von q3 auf 12v
Benutzeravatar
Metaworld82
Beiträge: 775
Registriert: Mi Okt 04, 2006 7:18 pm
Wohnort: Kronach

Re: MS3X Probleme mit Idle, VVT, Tacho, Boost...

Beitrag von Metaworld82 »

Ja Christian geht auch. Hab ich im ersten Moment gar nicht dran gedacht :shock: . Dann aber bitte dieses "Verseuchte +12Volt" nicht auf die Eingangsspannung der MS direkt legen :D
Biete Zusatzborads für 4-Bar Map Sensor incl. Barokorrekt, AGT Anzeigen für MS/KDFI, Sequi Umbau, mehr auf Anfrage möglich.

Projekt: Calibra Turbo powerd by Netics GT-K 450, Laminova Ansaugbrücke, MS3, Sequi Einspritzung, COP, 4XAGT, I/O Extender MS..
dj-seak
Beiträge: 30
Registriert: Fr Feb 10, 2012 9:48 pm

Re: MS3X Probleme mit Idle, VVT, Tacho, Boost...

Beitrag von dj-seak »

Hab endlich wieder Zeit gefunden mich mit dem defekten Q3 zu beschäftigen. Habe ihn zunächst herausgelötet. Leider hat die Platine durch die Überhitzung von Q3 einen leichen Schaden davon genommen, die Masse wurde abgetrennt. Aus diesem Grund wede ich einen TIP42 verbauen, und die Masse extra anchließen.
Zusätzlich habe ich noch ein bisschen recherchiert:
Die Problematik mit dem Leerlaufsteller scheint inzwischen bekannt (siehe Bild). Die Anleitungen wurden überarbeitet: http://www.msextra.com/doc/ms3/build_manual.html und http://msextra.com/doc/ms3/hardware.html
Ich werde wie dort beschrieben eine Freilaufdiode am Leerlaufregler anschließen.
Gruß dj-seak
Dateianhänge
Hinweis2.png
Hinweis2.png (234.31 KiB) 8954 mal betrachtet
dj-seak
Beiträge: 30
Registriert: Fr Feb 10, 2012 9:48 pm

Re: MS3X Probleme mit Idle, VVT, Tacho, Boost...

Beitrag von dj-seak »

Hallo,
inzwischen ist meine MS3x repariert und alles Funktioniert wieder :D
Im Bild ist meine Lösung bezüglich der defekten Platine zu sehen. Die Masse habe ich dabei über das Kabel angeschlossen.
Danke für eure Hilfe,
Gruß dj-seak
Dateianhänge
Ms3x repariert.jpg
Ms3x repariert.jpg (121.57 KiB) 8914 mal betrachtet
Antworten