Ansteuerung Einzelfunkenzünspulen
Ansteuerung Einzelfunkenzünspulen
Hallo,
Ich baue derzeit auf Einzelfunkenzünspulen um. Alles ist soweit fertig verkabelt und sollte laufen.
Vorher habe ich die Doppelfunkenzünspulen direkt mit der UMC2 angesteuert womit der Wagen auch lief.
Leider startet der Wagen jetzt nicht und ich weis nicht so richtig warum. Habe heute nochmal die meisten Kabel durchgemessen/-geprüft. 12V liegen an, Ground ist OK und die Kabel von der UMC zu den Spulen haben immerhin Durchgang.
Habe auch nach besten Wissen die Werte im TS eingestellt.
Mit ausgebauter Kerze habe ich allerdings nichtmal einen Funken.
Kann mir da jemand weiterhelfen??
Ich baue derzeit auf Einzelfunkenzünspulen um. Alles ist soweit fertig verkabelt und sollte laufen.
Vorher habe ich die Doppelfunkenzünspulen direkt mit der UMC2 angesteuert womit der Wagen auch lief.
Leider startet der Wagen jetzt nicht und ich weis nicht so richtig warum. Habe heute nochmal die meisten Kabel durchgemessen/-geprüft. 12V liegen an, Ground ist OK und die Kabel von der UMC zu den Spulen haben immerhin Durchgang.
Habe auch nach besten Wissen die Werte im TS eingestellt.
Mit ausgebauter Kerze habe ich allerdings nichtmal einen Funken.
Kann mir da jemand weiterhelfen??
- Dateianhänge
-
- CurrentTune.msq
- (93.35 KiB) 461-mal heruntergeladen
-
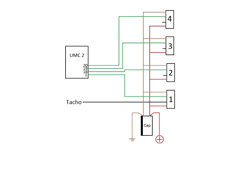
- Anschlussplan
- AnschlussCOP.jpg (30.89 KiB) 13006 mal betrachtet
Mazda Miata 1.9l EFR6758 Turbo mit MS3X
Tunerstudio v3.1.02
Firmware 1.5.1
Tunerstudio v3.1.02
Firmware 1.5.1
Re: Ansteuerung Einzelfunkenzünspulen
Hallo,
welche Spulen sind verbaut?
welche Spulen sind verbaut?
Wer aufhört besser zu werden hat aufgehört gut zu sein
Alfa 156 GTA
Alfa 75 Race Car MS III
Alfa 164 V6 Turbo
Test MS II
Tunerstudio V3.0.60.61 Registered
MLog View V4.3.30 Registered
MLog View HD V4.3.30 Registered
Alfa 156 GTA
Alfa 75 Race Car MS III
Alfa 164 V6 Turbo
Test MS II
Tunerstudio V3.0.60.61 Registered
MLog View V4.3.30 Registered
MLog View HD V4.3.30 Registered
Re: Ansteuerung Einzelfunkenzünspulen
Toyota Corolla (Denso). Teilenummer (90080-19019). Weiß nich ob du damit was anfangen kannst.
Mazda Miata 1.9l EFR6758 Turbo mit MS3X
Tunerstudio v3.1.02
Firmware 1.5.1
Tunerstudio v3.1.02
Firmware 1.5.1
-
ChristianK
- Beiträge: 2278
- Registriert: So Jun 29, 2014 8:53 pm
Re: Ansteuerung Einzelfunkenzünspulen
Neue Spulen? Ich habe mal eine Doppelspule gebraucht bei eBay gekauft. War defekt. Wurde als intakt verkauft. Dann gab es ne negative Bewertung für 12,-. Einfach dumm.
Dann eine neue gekauft. Funzt.
Dann eine neue gekauft. Funzt.
Re: Ansteuerung Einzelfunkenzünspulen
Sind von einem Schrottplatz aus Dänemark auf dem ein Kumpel von mir alle seine Teile besorgt. Denke eigentlich nicht dass es an den Spulen liegt allerdings kann ich es auch nicht 100% ausschließen.
Haben auf jeden Fall zwischen + und - eine Impendanz von 25-35 kOhm. Müsste ja die Primärspule sein.
Haben auf jeden Fall zwischen + und - eine Impendanz von 25-35 kOhm. Müsste ja die Primärspule sein.
Mazda Miata 1.9l EFR6758 Turbo mit MS3X
Tunerstudio v3.1.02
Firmware 1.5.1
Tunerstudio v3.1.02
Firmware 1.5.1
Re: Ansteuerung Einzelfunkenzünspulen
Hi,
ich hatte mit meiner UMC 1 auch mal Probleme, dass ich keinen Zündfunken hatte.
Einmal die Firmware neu geflasht, schon lief der Wagen wieder.
Gruß Ernst
ich hatte mit meiner UMC 1 auch mal Probleme, dass ich keinen Zündfunken hatte.
Einmal die Firmware neu geflasht, schon lief der Wagen wieder.
Gruß Ernst
W201 M102 8V mit Hexenwerk Fahrer!
Re: Ansteuerung Einzelfunkenzünspulen
Versuchen kann ich es damit mal. Muss ich erstmal schauen wie das ging 
Mazda Miata 1.9l EFR6758 Turbo mit MS3X
Tunerstudio v3.1.02
Firmware 1.5.1
Tunerstudio v3.1.02
Firmware 1.5.1
Re: Ansteuerung Einzelfunkenzünspulen
Das war nicht so erfolgreich. Es kommt immernoch kein Funke.
Woher weis die UMC eigentlich wann sie welchen Zylinder zünden muss? Im Prinzip habe ich ja jetzt einfach die Kabel angeschlossen wie es mir gefällt aber der UMC nicht gesagt wie die Reihenfolge ist.
Woher weis die UMC eigentlich wann sie welchen Zylinder zünden muss? Im Prinzip habe ich ja jetzt einfach die Kabel angeschlossen wie es mir gefällt aber der UMC nicht gesagt wie die Reihenfolge ist.
Mazda Miata 1.9l EFR6758 Turbo mit MS3X
Tunerstudio v3.1.02
Firmware 1.5.1
Tunerstudio v3.1.02
Firmware 1.5.1
Re: Ansteuerung Einzelfunkenzünspulen
Ich weiß nicht genau wie es bei der UMC ist aber ich denke es verhält sich genauso.M2Tim hat geschrieben:Das war nicht so erfolgreich. Es kommt immernoch kein Funke.![]()
Woher weis die UMC eigentlich wann sie welchen Zylinder zünden muss? Im Prinzip habe ich ja jetzt einfach die Kabel angeschlossen wie es mir gefällt aber der UMC nicht gesagt wie die Reihenfolge ist.
Die Megasquirt zündet immer nur Ausgang 1-2-3-4
Also musst man die Zündreihenfolge durch korrekte Verdrahtung selbst erledigen.
Wenn du voll sequenzielle Zündung fahren willst brauchst zusätzlich zur Motordrehzahl noch ein OT Signal.
- Ist im Tune ja auch so eingestellt. Entspricht das der Realität ? Kommen beide Signal im STG an ?
-Ambesten mal im TunerStudio, unter Diagnostics & High Speed Loggers, mit dem Composite Logger die Signalverläufe prüfen.
Sollte auch einiges im Manuell drüber zu finden sein.
Ohne CAM Trigger (OT-Signal) musst du Wasted Spark fahren. Wäre quasi dann das selbe wie mit der Doppelfunkenspule, halt nur mit Einzelzündspulen.
Da ich die Funktion der Zündspulen jetzt nicht kenne kann ich nur mutmaßen, aber da die Spulen 4 Kontakte aufweisen, gehe ich mal davon aus dass die Endstufen integriert sind.
Wenn das so seihen sollte fehlt mir da noch was an dem freien Kontakt. Endweder 12V oder Masse.
Da kommt es aber dann darauf an welchen Signalverlauf die Spulen benötigen.
Und natürlich davon ausgehend das, der Anschluss von 12V und Maße (so interpretiere ich Zeichnung) an 1 und 4 richtig ist.
Aber am besten nicht wild rum probieren. Da können die Spulen oder Anderes schnell hopps gehen.
Nen Datenblatt oder nen Anschlussplan wären hier hilfreich.
Re: Ansteuerung Einzelfunkenzünspulen
Ja genau, die Zündreihenfolge der MS2 ist immer SparkA -> SparkB -> SparkC -> SparkD.
Bzw. bei der UMC2 dann IGN1 (Pin1) -> IGN2 (Pin18) -> IGN3 (Pin19) -> IGN4 (Pin20).
Die Zündreihenfolge am MX5 ist die vom ganz normalen 4 Zylinder. (1-3-4-2)
IGN1 (Pin1) -> Zylinder 1
IGN2 (Pin18) -> Zylinder 3
IGN3 (Pin19) -> Zylinder 4
IGN4 (Pin20) -> Zylinder 2
Das solltest du also entsprechend verkabeln/umstecken.
Anspringen wird er damit noch nicht.
Denn ich denke dein Problem ist die Ansteuerung der Spulen ansich.
Die Toyota Spulen haben sicher interne Endstufen und einen Trigger Eingang der ein positives Signal in irgend einer Form benötigt.
Die UMC2 schaltet die IGN Ausgänge aber auf Masse. Sprich da kommt kein Signal raus.
Ergo -> Das übliche Spiel mit Pullups...
Häng mal einen Pullup auf eine Triggerleitung und schau ob sich was tut.
Aber Achtung: Das hat Auswirkung auf das GoingHigh/Low Verhalten, welches man in den Ignition Settings einstellen kann.
Je nachdem ob die Spulen bei einem steigenden oder fallenden Signal zünden, können diese je nach Einstellung den Hitzetod sterben.
Also aufpassen bei den Tests. Wenn die Spule ohne das sie was tut heiss wird, isses falsch eingestellt.
Am Rande:
Ich hab für den Zweck übrigens die Spulen von einer CBR1000RR benutzt.
Der Vorteil ist, die passen ohne Halter direkt in die MX5 Kerzenschächte.
Ob die allerdings genug Bumms für einen aufgeladenen Motor haben, kann ich nicht sagen.
Leider hab ich auch keinerlei Einbaudoku darüber, weil das mal wieder so ein typischer kurzfristiger Samstag-Nachmittag-Einbau war.
Im Anhang ein crappy Handy Foto davon, falls es jemanden interessiert.
Der Kabelbaum ist auch der Originale von Honda, einfach hinten einen eigenen Stecker dran und schon konnte es losgehen.
Bzw. bei der UMC2 dann IGN1 (Pin1) -> IGN2 (Pin18) -> IGN3 (Pin19) -> IGN4 (Pin20).
Die Zündreihenfolge am MX5 ist die vom ganz normalen 4 Zylinder. (1-3-4-2)
IGN1 (Pin1) -> Zylinder 1
IGN2 (Pin18) -> Zylinder 3
IGN3 (Pin19) -> Zylinder 4
IGN4 (Pin20) -> Zylinder 2
Das solltest du also entsprechend verkabeln/umstecken.
Anspringen wird er damit noch nicht.
Denn ich denke dein Problem ist die Ansteuerung der Spulen ansich.
Die Toyota Spulen haben sicher interne Endstufen und einen Trigger Eingang der ein positives Signal in irgend einer Form benötigt.
Die UMC2 schaltet die IGN Ausgänge aber auf Masse. Sprich da kommt kein Signal raus.
Ergo -> Das übliche Spiel mit Pullups...
Häng mal einen Pullup auf eine Triggerleitung und schau ob sich was tut.
Aber Achtung: Das hat Auswirkung auf das GoingHigh/Low Verhalten, welches man in den Ignition Settings einstellen kann.
Je nachdem ob die Spulen bei einem steigenden oder fallenden Signal zünden, können diese je nach Einstellung den Hitzetod sterben.
Also aufpassen bei den Tests. Wenn die Spule ohne das sie was tut heiss wird, isses falsch eingestellt.
Am Rande:
Ich hab für den Zweck übrigens die Spulen von einer CBR1000RR benutzt.
Der Vorteil ist, die passen ohne Halter direkt in die MX5 Kerzenschächte.
Ob die allerdings genug Bumms für einen aufgeladenen Motor haben, kann ich nicht sagen.
Leider hab ich auch keinerlei Einbaudoku darüber, weil das mal wieder so ein typischer kurzfristiger Samstag-Nachmittag-Einbau war.
Im Anhang ein crappy Handy Foto davon, falls es jemanden interessiert.
Der Kabelbaum ist auch der Originale von Honda, einfach hinten einen eigenen Stecker dran und schon konnte es losgehen.
- Dateianhänge
-
- cop.jpg
- CBR Spulen im 1.6er Miata
- (115.32 KiB) Noch nie heruntergeladen
..squirt..squirt..
Re: Ansteuerung Einzelfunkenzünspulen
Danke erstmal für die Hinweise.
Das mit der Zündreihenfolge ist gut zu wissen. Werde das nochmal umstecken.
Tobias ich find es dann aber komisch, dass die Spulen sonst an jeder Megasquirt sofort laufen auch ohne die Pullups, weswegen ich denke, dass das nicht der springende Punkt ist. Was mir aber aufgefallen ist, ist dass alle die auf COP umbauen trotzdem wasted spark fahren.
Deswegen denke ich (und habe es gerade auch nochmal gelesen im miataturbo.net), dass es so ist wie von rabbit geschrieben. Der CAS vom Miata ist nicht für sequentielle Zündung zu gebrauchen.
EDIT: Hier der Link zur Anleitung von den Amis, die das mittleweile schon zu hauf verbaut haben (auch an der MS)
http://www.miataturbo.net/useful-saved- ... eup-12704/
Das mit der Zündreihenfolge ist gut zu wissen. Werde das nochmal umstecken.
Tobias ich find es dann aber komisch, dass die Spulen sonst an jeder Megasquirt sofort laufen auch ohne die Pullups, weswegen ich denke, dass das nicht der springende Punkt ist. Was mir aber aufgefallen ist, ist dass alle die auf COP umbauen trotzdem wasted spark fahren.
Deswegen denke ich (und habe es gerade auch nochmal gelesen im miataturbo.net), dass es so ist wie von rabbit geschrieben. Der CAS vom Miata ist nicht für sequentielle Zündung zu gebrauchen.
EDIT: Hier der Link zur Anleitung von den Amis, die das mittleweile schon zu hauf verbaut haben (auch an der MS)
http://www.miataturbo.net/useful-saved- ... eup-12704/
Mazda Miata 1.9l EFR6758 Turbo mit MS3X
Tunerstudio v3.1.02
Firmware 1.5.1
Tunerstudio v3.1.02
Firmware 1.5.1
Re: Ansteuerung Einzelfunkenzünspulen
Ob das CAS für dich taugt lässt sich ja mit dem Composite Logger rausfinden.M2Tim hat geschrieben:Danke erstmal für die Hinweise.
Deswegen denke ich (und habe es gerade auch nochmal gelesen im miataturbo.net), dass es so ist wie von rabbit geschrieben. Der CAS vom Miata ist nicht für sequentielle Zündung zu gebrauchen.
Re: Ansteuerung Einzelfunkenzünspulen
Hab mal 2 Datein geloggt. 1 Mal mit dem Composite Logger und 1 Mal mit dem Tooth Logger.
EDIT: Ehrlichgesagt habe ich keinen Plan was ich damit anfangen kann. Habe die Daten mal mit EXCEL geöffnet und versucht da was rauszubekommen. Beim Vesuch ises aber auch geblieben. Werde mich wohl mal in die Geschichte mit dem Comp-Logger einlesen. Bis jetzt wusste ich das immer zu vermeiden weil der Wagen einfach gut lief, selbst nach Turbo-Umbau.
Falls jemand was sieht was im Falle der Zündspulen weiterhilft bitte melden.
EDIT: Ehrlichgesagt habe ich keinen Plan was ich damit anfangen kann. Habe die Daten mal mit EXCEL geöffnet und versucht da was rauszubekommen. Beim Vesuch ises aber auch geblieben. Werde mich wohl mal in die Geschichte mit dem Comp-Logger einlesen. Bis jetzt wusste ich das immer zu vermeiden weil der Wagen einfach gut lief, selbst nach Turbo-Umbau.
Falls jemand was sieht was im Falle der Zündspulen weiterhilft bitte melden.
- Dateianhänge
-
- Toothlog_with_COP_aufbereitet.xlsx
- (9.42 KiB) 411-mal heruntergeladen
-
- Tooth_with_COP.csv
- ToothLogger
- (27.52 KiB) 438-mal heruntergeladen
-
- Test_with_COP.csv
- Composite Logger
- (144 Bytes) 448-mal heruntergeladen
Mazda Miata 1.9l EFR6758 Turbo mit MS3X
Tunerstudio v3.1.02
Firmware 1.5.1
Tunerstudio v3.1.02
Firmware 1.5.1
Re: Ansteuerung Einzelfunkenzünspulen
Die Daten nachher mit EXCEL zu importieren und zu formatieren fand ich immer einen ziemlichen Krampf. Am besten du machst den Log und schaust dir den dann direkt im Fenster an.M2Tim hat geschrieben:Hab mal 2 Datein geloggt. 1 Mal mit dem Composite Logger und 1 Mal mit dem Tooth Logger.
EDIT: Ehrlichgesagt habe ich keinen Plan was ich damit anfangen kann. Habe die Daten mal mit EXCEL geöffnet und versucht da was rauszubekommen. Beim Vesuch ises aber auch geblieben. Werde mich wohl mal in die Geschichte mit dem Comp-Logger einlesen. Bis jetzt wusste ich das immer zu vermeiden weil der Wagen einfach gut lief, selbst nach Turbo-Umbau.
Falls jemand was sieht was im Falle der Zündspulen weiterhilft bitte melden.
Wenn du nicht mitloggst sind die Daten ja direkt wieder weg.
Aber wenn der Log läuft kann man sich, solange man nicht das Fenster wechselt, die Daten angucken.
Hab bisher auch noch keinen Weg gefunden die abgespeicherten Daten wieder anzeigen zu lassen.
Ich hab immer Screenshots mit dem Snipping Tool von Windows gemacht.
- Dateianhänge
-
- Kann z.B. so aussehen.
- Comp_Log_rs.PNG (39.12 KiB) 12888 mal betrachtet