Luftmassenmesser verwenden an UMC1
Forumsregeln
Bitte vorher trotzdem die Suche benutzen!
Bitte vorher trotzdem die Suche benutzen!
-
rAcHe kLoS
- Beiträge: 710
- Registriert: Fr Apr 17, 2009 10:30 am
- Wohnort: Fulda
- Kontaktdaten:
Re: Luftmassenmesser verwenden an UMC1
Mir ist Alpha/n einfach zu ungenau, deswegen "vermeide" ich es wenn es geht. Auf ebener Strecke bei 1/3 Last auf Lambda 1 abgestimmt, schon passt es bei etwas Steigung oder Gefälle nicht mehr. EGO kann hier natürlich etwas nach regeln, aber schön finde ich das nicht wenn es auch besser geht.
Fiat Uno 1.3 Turbo, Alfa 147 1.6 TS 16v
Re: Luftmassenmesser verwenden an UMC1
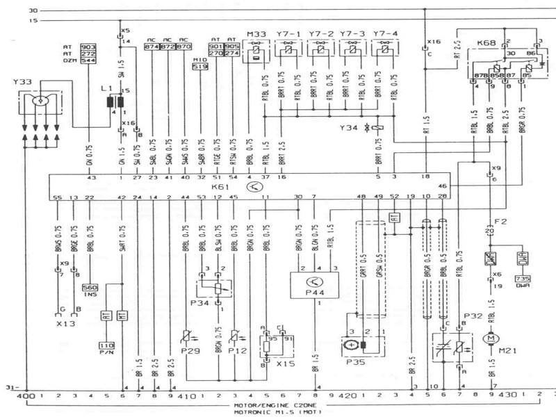
So, hier mal der Stromlaufplan für die Motronic 1.5.2..
Es sieht ganz so aus als ob ich doch bloß simultan einspritzen könnte, da alle ESV auf einem Ausgang hängen.
Was passiert mit dem Tankentlüftungsventil Y34, kann ich das ignorieren oder wie muss man damit verfahren (ist ja sicher wegen Überdruck)?
Was den DZM angeht müsste ich bloß Klemme 43 an die UMC1 anschliessen oder?
Mal noch was anderes, hat jemand erfahrung mit den workshopunterlagen von NO Limits Motorsport? Ich packs zeitlich einfach nicht zum Workshop und wollte wissen ob sich die Investition in die Unterlagen zwecks Ersteinrichtung lohnt?
Mfg Torsten
Es sieht ganz so aus als ob ich doch bloß simultan einspritzen könnte, da alle ESV auf einem Ausgang hängen.
Was passiert mit dem Tankentlüftungsventil Y34, kann ich das ignorieren oder wie muss man damit verfahren (ist ja sicher wegen Überdruck)?
Was den DZM angeht müsste ich bloß Klemme 43 an die UMC1 anschliessen oder?
Mal noch was anderes, hat jemand erfahrung mit den workshopunterlagen von NO Limits Motorsport? Ich packs zeitlich einfach nicht zum Workshop und wollte wissen ob sich die Investition in die Unterlagen zwecks Ersteinrichtung lohnt?
Mfg Torsten
- c-coupedriver
- Beiträge: 404
- Registriert: Sa Nov 01, 2008 4:04 pm
- Wohnort: Tröstau 95709
- Kontaktdaten:
Re: Luftmassenmesser verwenden an UMC1
Die Unterlagen sind Top.
Hat mir damals viel weitergeholfen, weil ich zum 1. Workshop verhindert war.
Tankentlüftungsventil hängst mit an den Ausgang für die Pumpe.
Wenn Motor aus, Pumpe aus, Entlüftung zu.
Die Verdrahtung der Einspritzventile würd ich ändern auf Einzelverdrahtung, So hab ichs bei mir gemacht.
3 zusätzliche Strippen eingezogen.
Wegen DZM frag lieber mal Peter. An der UMC funtioniert nicht jeder Drehzahlmesser.
Gruß,
Andreas
Hat mir damals viel weitergeholfen, weil ich zum 1. Workshop verhindert war.
Tankentlüftungsventil hängst mit an den Ausgang für die Pumpe.
Wenn Motor aus, Pumpe aus, Entlüftung zu.
Die Verdrahtung der Einspritzventile würd ich ändern auf Einzelverdrahtung, So hab ichs bei mir gemacht.
3 zusätzliche Strippen eingezogen.
Wegen DZM frag lieber mal Peter. An der UMC funtioniert nicht jeder Drehzahlmesser.
Gruß,
Andreas
Wenn man schon eine Zeitmaschine in einen Wagen einbaut, dann bitteschön mit Stil. (Doc Brown)
Suche E50 Felgensterne LK4x100
u. Diff-Sperre
http://www.c-coupedriver.de

by c-coupedriver, on Flickr
Suche E50 Felgensterne LK4x100
u. Diff-Sperre
http://www.c-coupedriver.de

by c-coupedriver, on Flickr
Re: Luftmassenmesser verwenden an UMC1
Also bis hierher erstmal danke für die Infos und eure Geduld.
Ich werde die Unterlagen, die UMC und die Stim jetzt erstmal bestellen und zusammenlöten.
Fragen kommen dann sicher noch genug.
Mfg Torsten
Ich werde die Unterlagen, die UMC und die Stim jetzt erstmal bestellen und zusammenlöten.
Fragen kommen dann sicher noch genug.
Mfg Torsten
Re: Luftmassenmesser verwenden an UMC1
Ich hätte da noch eine Theoriefrage:
Es kam die Diskussion mit Alpha-N oder MAP auf.
Ich verstehe nicht ganz warum das mit der Berg und Talfahrt solche Auswirkungen hat, die Abgaswerte werden doch überprüft und bei Abmagerung oder Überfettung erkennt das die Lambdasonde und es wird gegengeregelt oder?
Beim Alpha N Kennfeld wird doch bloß die Achse für den Unterdruck mit der des Drosselklappenwinkels ersetzt. Ist diese Tabelle dann als dogmatisch zu betrachten oder gibts da trotzdem Korrekturen über Baro, Temp. und Lambda?
Bitte nicht steinigen wenn ich komplett daneben liege, so wars für mich irgentwie logisch...
Mfg Torsten
Es kam die Diskussion mit Alpha-N oder MAP auf.
Ich verstehe nicht ganz warum das mit der Berg und Talfahrt solche Auswirkungen hat, die Abgaswerte werden doch überprüft und bei Abmagerung oder Überfettung erkennt das die Lambdasonde und es wird gegengeregelt oder?
Beim Alpha N Kennfeld wird doch bloß die Achse für den Unterdruck mit der des Drosselklappenwinkels ersetzt. Ist diese Tabelle dann als dogmatisch zu betrachten oder gibts da trotzdem Korrekturen über Baro, Temp. und Lambda?
Bitte nicht steinigen wenn ich komplett daneben liege, so wars für mich irgentwie logisch...
Mfg Torsten
- c-coupedriver
- Beiträge: 404
- Registriert: Sa Nov 01, 2008 4:04 pm
- Wohnort: Tröstau 95709
- Kontaktdaten:
Re: Luftmassenmesser verwenden an UMC1
Hallo Torsten,b3bob hat geschrieben:Ich hätte da noch eine Theoriefrage:
Es kam die Diskussion mit Alpha-N oder MAP auf.
Ich verstehe nicht ganz warum das mit der Berg und Talfahrt solche Auswirkungen hat, die Abgaswerte werden doch überprüft und bei Abmagerung oder Überfettung erkennt das die Lambdasonde und es wird gegengeregelt oder?
Beim Alpha N Kennfeld wird doch bloß die Achse für den Unterdruck mit der des Drosselklappenwinkels ersetzt. Ist diese Tabelle dann als dogmatisch zu betrachten oder gibts da trotzdem Korrekturen über Baro, Temp. und Lambda?
Bitte nicht steinigen wenn ich komplett daneben liege, so wars für mich irgentwie logisch...
Mfg Torsten
Deine Überlegungen sind nicht ganz falsch. Wenn Du Closed-Loop(geschlossener Regelkreis) fährst.
Mann sieht das Du Dich mit der Sache auseinandersetzt.
Aber mit Speed Density lassen sich die Belastungszustände Deines Motors "genauer" einstellen.
Alpha-N ist agressiver in der Gasannahme usw. aber die Beastungszustände lassen sichPW = REQ_FUEL * VE * MAP * E + accel + Injector_open_time
nicht alle im Kennfeld darstellen. Ob Schiebebetrieb oder gerade Leistung abverlangt wird.
Wenn Alpha N, dann Hybrid Alpha-N. Da spielt der MAP- Wert wieder in die Berechnung mit rein.
Schliesst natürlich wieder voraus das Du denn Map-Sensor anschliesst.Hybid Alpha-N =
PW = REQ_FUEL * VE * TPS * MAP * E + accel + Injector_open_time
Normal Alpha-N =
PW = REQ_FUEL * VE * TPS * E + accel + Injector_open_time
An dem T-Stück mit einem kleinen Schlauch wirds doch nicht scheitern.
Abkürzungen findest Du hier:
http://www.megasquirt.de/wiki/index.php ... rsetzungen
Hier ist noch mehr Lektüre mit der Du Dich auseinandersetzten solltest/musst:
http://www.megasquirt.de/wiki/index.php ... _bekommen!
http://www.msextra.com/doc/
Gruß,
andreas
Wenn man schon eine Zeitmaschine in einen Wagen einbaut, dann bitteschön mit Stil. (Doc Brown)
Suche E50 Felgensterne LK4x100
u. Diff-Sperre
http://www.c-coupedriver.de

by c-coupedriver, on Flickr
Suche E50 Felgensterne LK4x100
u. Diff-Sperre
http://www.c-coupedriver.de

by c-coupedriver, on Flickr
Re: Luftmassenmesser verwenden an UMC1
So, habe jetzt gelesen und versucht zu verstehen.
Ich habe jetzt einen kleinen Überblick, trotzdem sind noch einige Fragen offen.
1. Kann ich an die UMC1 einen weiteren MAP Sensor für die Baro Korrektur anschliessen, bzw den Bausatz gleich so bestellen?
2. die VE Tabelle gibt mir also an wieviel Prozent meines Hubraumes ich bei Diskreten MAP- und Drehzahlwerten nutze. Dazu ein thoeretisches Szenario wie ich mir das vorstelle:
Mal angenommen ich stimme meine VE Tabelle auf einen Serien Zylinderkopf ab und bearbeite Diesen anschliessend (klassische Kopfbearbeitung). Dann sollte ich ja die Werte der VE Tabelle, wenn ich alles richtig gemacht habe, nach oben korrigieren müssen, da sich der Liefergrad verbessert hat oder?
3. Was würde passieren wenn ich Alpha-N mit 100% EGO Regelung fahre, macht das die VE mit MAP nicht überflüssig? Es steht zwar geschrieben das man bloß einen geringeren Einfluss der EGO zulassen sollte aber was wäre wenn?
Mfg Torsten
Ich habe jetzt einen kleinen Überblick, trotzdem sind noch einige Fragen offen.
1. Kann ich an die UMC1 einen weiteren MAP Sensor für die Baro Korrektur anschliessen, bzw den Bausatz gleich so bestellen?
2. die VE Tabelle gibt mir also an wieviel Prozent meines Hubraumes ich bei Diskreten MAP- und Drehzahlwerten nutze. Dazu ein thoeretisches Szenario wie ich mir das vorstelle:
Mal angenommen ich stimme meine VE Tabelle auf einen Serien Zylinderkopf ab und bearbeite Diesen anschliessend (klassische Kopfbearbeitung). Dann sollte ich ja die Werte der VE Tabelle, wenn ich alles richtig gemacht habe, nach oben korrigieren müssen, da sich der Liefergrad verbessert hat oder?
3. Was würde passieren wenn ich Alpha-N mit 100% EGO Regelung fahre, macht das die VE mit MAP nicht überflüssig? Es steht zwar geschrieben das man bloß einen geringeren Einfluss der EGO zulassen sollte aber was wäre wenn?
Mfg Torsten
Re: Luftmassenmesser verwenden an UMC1
1) Sollte gehen. Die Firma, die die Dinger vertreibt heisst ja hoffentlich nicht umsonst "No Limits Motorsport". Bedenke aber, dass Du bei MAP basierter Lasterfassung ja quasi eine automatische Höhenkorrektur schon systembedingt an Bord hast.
2) Ganz genau. "VE" halt für "Volumetrische Effizienz", also "Füllungsgrad". Im Detail musst Du noch Optionen wie "Multiply map" berücksichtigen, die dieses ein wenig verzerren können. Grundsätzlich ist Deine Ansicht aber richtig. Falls Dich die Materie interessiert, dazu gibt es einen interessanten Beitrag von B&G von einem MegaMeet einige Jahre zuvor. Dort wurde recht anschaulich erklärt, warum man Kennfelder benötigt und diese nicht einfach "berechnen" kann. Der Hauptgrund ist, dass sich beim Verbrennungsmotor verschiedene Effekte überlagern, die allesamt Last- und Drehzahlabhängig sind und sich nicht linear verhalten. Beispiele wären Stömunsverluste, Reibung, Liefergrad u.v.m.
3) Ja wie jetzt. Entweder Du nutzt eine VE Tabelle mit MAP als Fuel Load (Y-Achse) oder eine mit Alpha-N als Lastgröße. Die Überlegung "Lambdaregelung macht das schon" hat den grundsätzlichen Denkfehler, dass man dann in letzter Konsequenz ganz ohne Kennfeld auskommen müsste, eben weil die Lambdaregelung alles ausgleicht.
Das wird in der Praxis aber nicht funktionieren, weil zu viele "Stör"größen den jeweiligen VE Wert beeinflussen (siehe oben). Im Idealfall bügelt die Beschleunigungsanreicherung (z.B. EAE) die Übergänge glatt, so dass EGO nur noch einen kompletten Offset regeln muss. Im Ungünstigsten Fall kann die EGO Control einiges Glatttbügeln, aber du brauchst zwischendrin schon einige Stützstellen die passen.
2) Ganz genau. "VE" halt für "Volumetrische Effizienz", also "Füllungsgrad". Im Detail musst Du noch Optionen wie "Multiply map" berücksichtigen, die dieses ein wenig verzerren können. Grundsätzlich ist Deine Ansicht aber richtig. Falls Dich die Materie interessiert, dazu gibt es einen interessanten Beitrag von B&G von einem MegaMeet einige Jahre zuvor. Dort wurde recht anschaulich erklärt, warum man Kennfelder benötigt und diese nicht einfach "berechnen" kann. Der Hauptgrund ist, dass sich beim Verbrennungsmotor verschiedene Effekte überlagern, die allesamt Last- und Drehzahlabhängig sind und sich nicht linear verhalten. Beispiele wären Stömunsverluste, Reibung, Liefergrad u.v.m.
3) Ja wie jetzt. Entweder Du nutzt eine VE Tabelle mit MAP als Fuel Load (Y-Achse) oder eine mit Alpha-N als Lastgröße. Die Überlegung "Lambdaregelung macht das schon" hat den grundsätzlichen Denkfehler, dass man dann in letzter Konsequenz ganz ohne Kennfeld auskommen müsste, eben weil die Lambdaregelung alles ausgleicht.
Das wird in der Praxis aber nicht funktionieren, weil zu viele "Stör"größen den jeweiligen VE Wert beeinflussen (siehe oben). Im Idealfall bügelt die Beschleunigungsanreicherung (z.B. EAE) die Übergänge glatt, so dass EGO nur noch einen kompletten Offset regeln muss. Im Ungünstigsten Fall kann die EGO Control einiges Glatttbügeln, aber du brauchst zwischendrin schon einige Stützstellen die passen.
Re: Luftmassenmesser verwenden an UMC1
Bei etwas Gefälle gehe ich vom Gas und lande halt etwas niedriger auf der Y-Achse, den Bereich kann ich dann doch auch auf Lambda1 abstimmen?rAcHe kLoS hat geschrieben:Mir ist Alpha/n einfach zu ungenau, deswegen "vermeide" ich es wenn es geht. Auf ebener Strecke bei 1/3 Last auf Lambda 1 abgestimmt, schon passt es bei etwas Steigung oder Gefälle nicht mehr. EGO kann hier natürlich etwas nach regeln, aber schön finde ich das nicht wenn es auch besser geht.
Wie macht Map das denn? Ich fahre nen Gefälle, mache die Drosselklappe zu und der Unterdruck wird größer -> Sprung im Kennfeld?
mfg Daniel
Spaßgerät: 1.3L VW KDFI 1.3
Alltagshure: 3L BMW MS43
Spaßgerät: 1.3L VW KDFI 1.3
Alltagshure: 3L BMW MS43
Re: Luftmassenmesser verwenden an UMC1
OK, danke für die Resonanz.
@pigga:
Könntest du mir das mit der bereits vorhandenen Höhenkorrektur bitte noch etwas näher erläutern?
Beim Thema Alpha-N oder MAP habe ich das soweit verstanden, das die Daten aus der Alpha-N Tabelle "wertarmer" sind als aus einer MAP Tabelle.
@c-coupedriver
Wieso hat man mit Alpha N einen agressiveren Motor?
Die einzige Erklärung die Ich dafür habe ist, dass ich keinen trägen Sensor für meine Last, sondern bloß ein Poti mit Zeitkonstante etwa 0 habe.
Mfg
Torsten
@pigga:
Könntest du mir das mit der bereits vorhandenen Höhenkorrektur bitte noch etwas näher erläutern?
Beim Thema Alpha-N oder MAP habe ich das soweit verstanden, das die Daten aus der Alpha-N Tabelle "wertarmer" sind als aus einer MAP Tabelle.
@c-coupedriver
Wieso hat man mit Alpha N einen agressiveren Motor?
Die einzige Erklärung die Ich dafür habe ist, dass ich keinen trägen Sensor für meine Last, sondern bloß ein Poti mit Zeitkonstante etwa 0 habe.
Mfg
Torsten
- franksidebike
- Beiträge: 3517
- Registriert: So Apr 03, 2005 6:28 pm
Re: Luftmassenmesser verwenden an UMC1
morgen torsten
das ist im msec. bereich, reicht aber um einen unterschied zu spüren.
frank
nicht der map sensor ist träger sondern die luftsäule!b3bob hat geschrieben: Die einzige Erklärung die Ich dafür habe ist, dass ich keinen trägen Sensor für meine Last, sondern bloß ein Poti mit Zeitkonstante etwa 0 habe.
das ist im msec. bereich, reicht aber um einen unterschied zu spüren.
frank
Re: Luftmassenmesser verwenden an UMC1
Moin.b3bob hat geschrieben:@pigga:
Könntest du mir das mit der bereits vorhandenen Höhenkorrektur bitte noch etwas näher erläutern?
Na, Du musst doch den ABSOLUTdruck in der Ansaugbrücke. Und dieser kann maximal dem Umgebungsdruck entsprechen.
Wenn ich also den MAP Wert als Lastsignal nehme, habe ich beim Sauger max. 100kPa auf Meereshöhe, sprich 100% und in höheren Lagen entsprechend weniger. So gesehen begrenzt -zumindest beim Sauger- der Umgebungsdruck den maximalen Lastwert. Das meinte ich mit "automatisch"
Anders sieht es bei Alpha N aus.
Nun gibt es einige Details, die in der Praxis zeigen, dass das mit der Systembedingten, "automatischen" Höhenkorrektur bei MAP Basierter Lasterfassung nicht perfekt arbeitet, aber vom Grundsatz her ist es bei leichten Umgebungsdruckschwankungen nicht erforderlich, einen zweiten Sensor zu nutzen.
Die Erfahrung aus dem US Forum hat gezeigt, dass bei "Speed density" das Gemisch in großer Höhe eher zum Abmagern neigt. Also genau anders rum als wie bei Alpha-N. Ausserdem ergibt sich bei extremen Höhen das Problem, dass man schlussendlich bei Vollgas irgendwo im Teillastbereich in der VE Table herumeiert, was auch nicht mehr perfekt funktionieren soll.
Ich habe keine Erfahrungen mit zweitem Drucksensor für Höhenkorrektur gesammelt bislang. Allerdings habe ich die Erfahrung gemacht, dass "Percent Baro" bei mir nicht so toll funktioniert hat. Oder anders gesagt: Mit "Speed Density" waren die Gemischwerte konstanter als mit %Baro. Mag aber durchaus ein Einstellungsproblem gewesen sein...