VR Sensor Alternativen? (Hall Sensor)

Benutzeravatar
franksidebike
Beiträge: 3517
Registriert: So Apr 03, 2005 6:28 pm

VR Sensor Alternativen? (Hall Sensor)

Beitrag von franksidebike »

mir reichts mit diesen ...... :evil: VR Sensor!
ich bekomme aus meinem VR Sensor kein brauchbares signal.

hat jemand eine idee welchen Hall/Nährungs sensor ich nehmen könnte?
er muß möglichst klein sein da ich am Motorrad wenig platz habe!
vielleicht was von Conrad?
frank
Acki
Beiträge: 2759
Registriert: Mo Feb 11, 2008 8:28 pm
Wohnort: BaWü/Lausitz

Re: VR Sensor Alternativen? (Hall Sensor)

Beitrag von Acki »

Hat man die Probleme normalerweise nicht andersherum? :D
Fiat Uno Racing, K16, UMC1, Gslender 3.2.1, LC-1, 355cc, Bluetooth
Benutzeravatar
franksidebike
Beiträge: 3517
Registriert: So Apr 03, 2005 6:28 pm

Re: VR Sensor Alternativen? (Hall Sensor)

Beitrag von franksidebike »

Acki hat geschrieben:Hat man die Probleme normalerweise nicht andersherum? :D
vielleicht kann mir mal einer die vor und nachteile der sensoren erklären, oder warum es VR Sensoren gibt?
meine meinung:
Hall/Induktiv Sensor: anbauen, abstand einstellen vertig!

VR Sensor: mir nicht verständliche schaltung bauen, ändern, potis drehen oszi gucken, seltsame signale von einem auf den anderen tag kommen und verschwinden usw.
mir platzt der kragen wenn ich VR höhre :evil:
ich bezweifelle das ich in meinem leben noch einmal einen VR Sensor zum laufen bekomme, vielleicht liegts ja auch nur an dem fehlenden wissen/verständnis? alle tips die ich nachlesen konnte haben mich nur weiter entfernt von einem funktionierenden VR Sensor!
ich bin ganz knapp davor die MS wieder auszubauen, an einem so bescheidenen punkt bin ich noch nie gewesen und das alles nur wegen einem VR Sensor, ich kann es kaum glauben das andere mit VR Sensor fahren?
frank
Benutzeravatar
pigga
Beiträge: 1128
Registriert: Sa Mai 07, 2005 3:22 pm

Re: VR Sensor Alternativen? (Hall Sensor)

Beitrag von pigga »

Die VWs haben soweit ich weiß alle (?) Hallsensoren drin?
Hab fahr son teil an meiner Karre und laut Scope hab ich ein sauberes Rechtecksignal.
Musst mal gucken, was Audi A2 und Golf IV mit 1,4er Motor für Hallsensoren drin sitzen haben. Die müssten meiner Meinung nach recht klein sein.
Pigga
Benutzeravatar
Thomas18TE
Beiträge: 368
Registriert: Do Dez 22, 2005 11:22 pm

Re: VR Sensor Alternativen? (Hall Sensor)

Beitrag von Thomas18TE »

der einzige Nachteil von Hallsensoren ist meiner Meinung nach der höhere Aufwand da man statt einer 60-2 Scheibe einen Magneten und einen 60-2 Blende benötigt um die gleiche Auflösung zu erreichen. Also etwas Gebastell, seht euch mal diese Hallblende bei einem Verteiler an. Das Signal eines Hallgebers ist aber über alles erhaben, wenn ich den mit 12V Versorge habe ich ein 12V Rechtecksignal egal bei welcher Drehzahl. Beim VR System ist umbedingt eine Signalaufbereitung notwendig da bedingt durch die niedrige Startdrehzahl das Signal auch in diesem wichtigem Bereich sehr schwach ist.

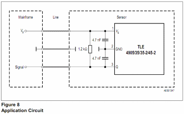
Bei meinen Versuchsaufbauten habe ich diesen Hallsensor verwendet
Hallsensor TLE 4905L
Datenblatt

Im Anhang habe ich mal das Beschaltungsbeispiel aus dem Datenblatt.
Der Ausgang wird durch den 1,2 kOhm Widerstand immer auf High gezogen, wenn jetzt der Magnet hingehalten wird schaltet der Transistor durch und zieht das Signal gegen Masse was dann der µC über die Signalleitung erkennt. Also auf keinen Fall den Widerstand > 200 Ohm vergessen sonst kann man den Ausgang zerstören. Als Spannungsversorgung kann man entweder die stabilisierten 5V des Steuergerätes benutzen oder aber auch die Bordspannung wobei hier eine kleine Filterschaltung empfohlen wäre.

Anmerkung für den Admin und die Mods:
Im Forum ist ein komisches Bildformat erlaubt Breite x Höhe 357 x 500 Pixel zumindestens 640x480 wäre angebracht, soviel mehr Platz braucht das auch nicht.
Dateianhänge
Beschaltungsbeispiel des Hallgebers
Beschaltungsbeispiel des Hallgebers
Hallsensor-Beschaltung_klein.png (7.19 KiB) 11778 mal betrachtet
https://SecreLocal.com - How To Meet Girls Online - No Verify - Anonymous Sex Dating - Safe Chat Dating
gravedigger
Beiträge: 1377
Registriert: Mo Okt 01, 2007 7:31 pm
Wohnort: Augsburg

Re: VR Sensor Alternativen? (Hall Sensor)

Beitrag von gravedigger »

@thomas18te

warum brauchst für den hallsensor eine blende?

da kann man doch auch ein normales triggerrrad verwenden.
VW Käfer - TYP4 2.4l - MS2 V3Board - MS Extra 2.x
Lambretta Li TS1 - 0.23l - Microsquirt V3 - MS Extra 3.3.2
Serveta SX200 TS1 0.24l Microsquirt V3 MS Extra 3.3.4
VW Käfer 1200 30PS mit Aisin AMR500 Microspuirt V3 MS Extra
Benutzeravatar
Thomas18TE
Beiträge: 368
Registriert: Do Dez 22, 2005 11:22 pm

Re: VR Sensor Alternativen? (Hall Sensor)

Beitrag von Thomas18TE »

ich habs bei meinem Versuch ohne Blende gemacht. Bosch macht es aber im Verteiler mit Blende. Denke das es hier schärfer abgegrenzt wird. Wird etwas mit der Umdrehungsgeschwindigkeit zusammenhängen, wenn sich der Magnet langsam dem Sensor annähert könnte dieser früher kippen als bei hohe Umdrehungen und dadurch wird dann drehzahlabhängig ein wandernder Offset entstehen. Keine Ahnung ob die Megasquirt das kompensieren kann.
https://SecreLocal.com - How To Meet Girls Online - No Verify - Anonymous Sex Dating - Safe Chat Dating
Benutzeravatar
Schnibble
Beiträge: 593
Registriert: Di Apr 15, 2008 2:45 pm
Wohnort: Luxemburg
Kontaktdaten:

Re: VR Sensor Alternativen? (Hall Sensor)

Beitrag von Schnibble »

gravedigger hat geschrieben: warum brauchst für den hallsensor eine blende?

da kann man doch auch ein normales triggerrrad verwenden.
bei hallsensor: Magnet dreht sich
bei VR-sensor: magnet im sensor, stahlscheibe dreht sich


@frankside
.....mir ging's andersrum...ich hatte nur probleme mit dem hallsensor! ;)

der VR-geber ist vom aufbau her recht einfach.
durch eine spule, die durch die zahnflanken bzw. die höhen und tiefen der zahnscheibe angeregt wird - entsteht ein stromfluss - kommt ein zahn ("metall kommt näher") in die eine richtung -- geht der zahn wieder weg, geht's in die andere richtung...usw :)

vielleicht liegt das problem in der schirmung?
gravedigger
Beiträge: 1377
Registriert: Mo Okt 01, 2007 7:31 pm
Wohnort: Augsburg

Re: VR Sensor Alternativen? (Hall Sensor)

Beitrag von gravedigger »

http://www.kfztech.de/kfztechnik/elo/se ... sensor.htm

nix magnet dreht sich und so.

das triggerad für gebräuchliche 60/2 hall sensoren ist auch nur eine zahnscheibe aus magnetischem material (eisen/stahl).

habe so ein ding aus einer opel motronik hier liegen.
Zuletzt geändert von gravedigger am Do Mai 21, 2009 1:15 pm, insgesamt 1-mal geändert.
VW Käfer - TYP4 2.4l - MS2 V3Board - MS Extra 2.x
Lambretta Li TS1 - 0.23l - Microsquirt V3 - MS Extra 3.3.2
Serveta SX200 TS1 0.24l Microsquirt V3 MS Extra 3.3.4
VW Käfer 1200 30PS mit Aisin AMR500 Microspuirt V3 MS Extra
gravedigger
Beiträge: 1377
Registriert: Mo Okt 01, 2007 7:31 pm
Wohnort: Augsburg

Re: VR Sensor Alternativen? (Hall Sensor)

Beitrag von gravedigger »

hier gibt es was von conrad für die ms:

Hall-Effekt Geschwindigkeits- und Drehrichtungssensor

Zahnrad-Geschwindigkeits- und Drehrichtungssensor. Erfasst Drehrichtung und Geschwindigkeit metallischer Zahnräder. Kunststoffgehäuse mit Befestigungsflansch.
Artikel-Nr.: 182873 - 62
Hersteller-Artikel-Nr.:
SD101201
46,20 EUR
http://www2.produktinfo.conrad.com/date ... 101201.pdf


passen hier die superseal stecker?
VW Käfer - TYP4 2.4l - MS2 V3Board - MS Extra 2.x
Lambretta Li TS1 - 0.23l - Microsquirt V3 - MS Extra 3.3.2
Serveta SX200 TS1 0.24l Microsquirt V3 MS Extra 3.3.4
VW Käfer 1200 30PS mit Aisin AMR500 Microspuirt V3 MS Extra
Benutzeravatar
franksidebike
Beiträge: 3517
Registriert: So Apr 03, 2005 6:28 pm

Re: VR Sensor Alternativen? (Hall Sensor)

Beitrag von franksidebike »

Schnibble hat geschrieben: bei hallsensor: Magnet dreht sich
bei VR-sensor: magnet im sensor, stahlscheibe dreht sich
nicht bei allen siehe gravedigger's beitrag!

@frankside
.....mir ging's andersrum...ich hatte nur probleme mit dem hallsensor! ;)
ja kann mich drann errinnern
der VR-geber ist vom aufbau her recht einfach.
durch eine spule, die durch die zahnflanken bzw. die höhen und tiefen der zahnscheibe angeregt wird - entsteht ein stromfluss - kommt ein zahn ("metall kommt näher") in die eine richtung -- geht der zahn wieder weg, geht's in die andere richtung...usw :)
ja habe ich schon so auch verstanden aber:
es gibt da wohl einige störrmöglichkeiten Drehzahl/geräusche.... die sich der VR Sensor eingang einfangen kann!
vielleicht liegt das problem in der schirmung?
ich habe schon alle möglichen änderungen versucht, unter anderem auch geschirmtes kabel, solange ich kein Oszi habe werde ich das ding NIE zum laufen bekommen. und genau das ist das problem, habe mir schon die finger wund telefoniert um jemanden zu finden der ein Oszi (2Kanal muß es sein habe ich mitlerweile rausbekommen) hat und auch damit umgehen kann, einer war schon bei mir mit einem 1Kanal Oszi was mir aber nicht weiter hilft da ist TunerStudio genauso gut das kann auch nicht mehr!
frank
Benutzeravatar
franksidebike
Beiträge: 3517
Registriert: So Apr 03, 2005 6:28 pm

Re: VR Sensor Alternativen? (Hall Sensor)

Beitrag von franksidebike »

gravedigger hat geschrieben:hier gibt es was von conrad für die ms:

Hall-Effekt Geschwindigkeits- und Drehrichtungssensor

Zahnrad-Geschwindigkeits- und Drehrichtungssensor. Erfasst Drehrichtung und Geschwindigkeit metallischer Zahnräder. Kunststoffgehäuse mit Befestigungsflansch.
Artikel-Nr.: 182873 - 62
Hersteller-Artikel-Nr.:
SD101201
46,20 EUR
http://www2.produktinfo.conrad.com/date ... 101201.pdf
ja sowas in die richtung meinte ich
aber leider viel zu groß :(
frank
Benutzeravatar
franksidebike
Beiträge: 3517
Registriert: So Apr 03, 2005 6:28 pm

Re: VR Sensor Alternativen? (Hall Sensor)

Beitrag von franksidebike »

Thomas18TE hat geschrieben: Bei meinen Versuchsaufbauten habe ich diesen Hallsensor verwendet
Hallsensor TLE 4905L
Datenblatt
ja in diese richtung dachte ich mir das auch nur das in dem ding ein magnet intriegiert ist damit er mein zahnrad ohne magneten erkennt!
dieser wäre nicht schlecht nur leider muß mein zahnrad durch die gabel flitzen was bedeutet das ich mir nocheinmal ein neues rad anfertigen muß :(
das muß es doch auch in anderer bauform geben :?:
frank
Benutzeravatar
Thomas18TE
Beiträge: 368
Registriert: Do Dez 22, 2005 11:22 pm

Re: VR Sensor Alternativen? (Hall Sensor)

Beitrag von Thomas18TE »

die Magnetkraft einen 60-2 Kurbelwellenrades für VR-Sensoren wird für einen Hallsensor zu schwach sein. Ich habe es in dieser Form noch nie gesehen. Ein Hallgeber sollte auch mit einem Magnet betrieben werden, um so stärker dieser ausfällt, desto größer darf der Abstand zum Sensor sein. Aber da das Magnetfeld auch seitlich wirkt kann man mit einer Blende viel genauer arbeiten. Man stellt sich vor das sich der Magnet dem Hallsensor nähert und der Hallgeber sein Signal schon wechselt obwohl der Magnet sich noch seitlich vom Hallgeber befindet, eine Blende würde aber nur im kleinen Spalt die Magnetkraft auf den Hallgeber freigeben. Bild

Ich frage mich ob dieses Rad vom VW PD-Motor mit Magneten bestückt, selbst sehr stark magnetisch ist oder es selber eine Blende darstellt die sich zwischen Magnet und Hallgeber dreht. Kann mir nicht vorstellen das VW da extra Magnete einbringt da das von der Herstellung teurer wäre.

Also nochmal ein VR Sensor liefert je nach Drehzahl eine sehr niedrige Spannung (wenige mV) die erst im Motor-Stg aufbereitet werden. Ein Hallgeber bereitet das schon intern auf(integrierter Schmitt-Trigger Schaltkreis) und liefert dann entsprechend 5V oder 12V an das Motor-Stg. dadurch ist das Signal viel unempfindlicher gegen Störungen.

Ich muss außerdem dazu sagen das ich nie einen defekten Hallgeber oder Induktivgeber gefunden habe, es lag immer an der Mechanik z.B. Kabel wenn es hier zu Problemen kam und der Sensor getauscht wurde wenn ein kurzen des Kabels mit dem Stecker nicht mehr möglich war.
https://SecreLocal.com - How To Meet Girls Online - No Verify - Anonymous Sex Dating - Safe Chat Dating
gravedigger
Beiträge: 1377
Registriert: Mo Okt 01, 2007 7:31 pm
Wohnort: Augsburg

Re: VR Sensor Alternativen? (Hall Sensor)

Beitrag von gravedigger »

die Magnetkraft einen 60-2 Kurbelwellenrades für VR-Sensoren wird für einen Hallsensor zu schwach sein.
könnte aber funktionieren, sonst würden es die autohersteller nicht verbauen.
VW Käfer - TYP4 2.4l - MS2 V3Board - MS Extra 2.x
Lambretta Li TS1 - 0.23l - Microsquirt V3 - MS Extra 3.3.2
Serveta SX200 TS1 0.24l Microsquirt V3 MS Extra 3.3.4
VW Käfer 1200 30PS mit Aisin AMR500 Microspuirt V3 MS Extra
Antworten