Auto mit dem pc starten ?

Antworten
lupiter
Beiträge: 357
Registriert: So Okt 04, 2009 8:42 pm

Auto mit dem pc starten ?

Beitrag von lupiter »

Hallo ihr elektrikkönner , ich Suche eine Möglichkeit meinen mini mit dem pc zu starten .

Gibts da was fertiges oder muss ich mir da was zusammenbasteln ?

Pc ist mit der ms2 per bluetooth verbunden also wäre eine solche Lösung Klasse :)

Lenkradschloss Gang und Zündschlüssel kann man beruhigt aussen vor lassen ;)

Grüssle Lars
OezyB
Beiträge: 576
Registriert: Di Nov 16, 2010 5:13 pm

Re: Auto mit dem pc starten ?

Beitrag von OezyB »

da ist aber jemand faul geworden :lol:
(OO==[][]==OO)
e30 335i m30 turbo
Holset HX55, ENEM 300° M7 Nockenwelle, Sequenziell,
MS3x | launch control | boost control | Traction Control | CAN EGT
lupiter
Beiträge: 357
Registriert: So Okt 04, 2009 8:42 pm

Re: Auto mit dem pc starten ?

Beitrag von lupiter »

OezyB hat geschrieben:da ist aber jemand faul geworden :lol:

Ich hab ja im motorraum schon einen Schalter zum starten aber da muss ich mich so bücken ;)

Grüssle Lars
tooly
Beiträge: 1090
Registriert: Do Aug 23, 2007 11:09 am

Re: Auto mit dem pc starten ?

Beitrag von tooly »

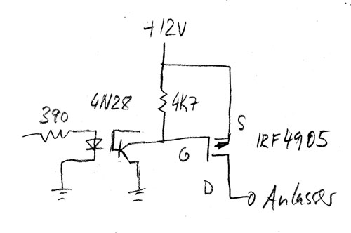
einfach einen optokoppler (kannst auch einen bc337 nehmen/basiswiderstand apassen) an einen ausgang von der ms dran und über den mosfet den anlasser schalten
geht auch schöner aber funktioniert hab ich schon so gemacht
was man dazu in der ms einstellen muss damit die einen impuls gibt
keine ahnung :mrgreen:
Dateianhänge
anlasser.jpg
anlasser.jpg (38.28 KiB) 6009 mal betrachtet
lupiter
Beiträge: 357
Registriert: So Okt 04, 2009 8:42 pm

Re: Auto mit dem pc starten ?

Beitrag von lupiter »

Snape schonmal für die Zeichnung :)

Suche nur irgendwie was anderes :)

Will ein vb Programm schreiben wo ich nur einen knopf drücke und er startet :)

Also quasi einen Bluetooth Teil das einen Impuls bekommt und 12v frei schaltet :)

Sowas muss es doch geben ?

Grüssle Lars
tooly
Beiträge: 1090
Registriert: Do Aug 23, 2007 11:09 am

Re: Auto mit dem pc starten ?

Beitrag von tooly »

lupiter hat geschrieben: Also quasi einen Bluetooth Teil das einen Impuls bekommt und 12v frei schaltet :)
und wie willst du die 12v schalten?
lupiter hat geschrieben: Sowas muss es doch geben ?

nicht direkt sowas musst du selber bauen :mrgreen:

hier ist was worauf du aufbauen könntest (schaltplan ist vorhanden)
wobei du immer noch einen mosfet (relais rausschmeissen) für den magnetschalter brauchst

http://www.ulrichradig.de/home/index.php/avr/btm222_rk
ovi-wan
Beiträge: 114
Registriert: Mi Okt 28, 2009 9:58 am

Re: Auto mit dem pc starten ?

Beitrag von ovi-wan »

keine ahnung wie man sowas realisiert, aber das steht auch auf meiner wunschliste.

in verbindung mit einer teamviewer-sitzung eröffnet sich da ein ganz anderes potential um anderen fahrzeugen aus der ferne auf die sprünge zu helfen.
dridders
Beiträge: 1274
Registriert: Do Sep 07, 2006 6:34 pm
Wohnort: Weidenbach
Kontaktdaten:

Re: Auto mit dem pc starten ?

Beitrag von dridders »

Jo, kommt gut, da drueckt man auf Start weil der Doelz der im Auto sitzt ja zu doof ist den Zuendschluessel rumzudrehen, und schon hoppelt man ein Kind ueber den Haufen weil der Doelz so doof war einen Gang einzulegen.
biff
Beiträge: 184
Registriert: Di Okt 12, 2010 1:07 pm
Wohnort: Albstadt

Re: Auto mit dem pc starten ?

Beitrag von biff »

Hallo zusammen,

man könnte auch GSM Modem mit der MS verbinden. Dann könnte man ebenfalls ne Art Ferndiagnose machen. Ungefähr so:
GSM Modem.pdf
(60.24 KiB) 361-mal heruntergeladen
ist in der Industrie Standard :D

Gruß biff
Antworten