probleme mit überwachungslambda sonde
-
Richard004
- Beiträge: 1181
- Registriert: Sa Nov 29, 2008 12:04 am
probleme mit überwachungslambda sonde
nicht Megasquirt
ich hab ein problem mit dem wirkungsgrad eines zubehörkats. (Moderner Motor mit 2 lambdasonden eine vor dem kat eine danach)
ich bin am überlegen, ob ich in die signalleitung der 2ten sonde einfach einen kondensator reinsetze um das signal zu glätten.
wenn das geht wie groß müßte der kondensator sein?
ich hab ein problem mit dem wirkungsgrad eines zubehörkats. (Moderner Motor mit 2 lambdasonden eine vor dem kat eine danach)
ich bin am überlegen, ob ich in die signalleitung der 2ten sonde einfach einen kondensator reinsetze um das signal zu glätten.
wenn das geht wie groß müßte der kondensator sein?
Alfa GTV 2,0v6 Turbo mit schlechtem Tuning
Fiat/Peugeot/Citrön 2,0 8v Turbo
Micro Entwicklerboard
http://www.breitband-lambda.de/
AGT Messboard von Metaworld82
Landi Renzo LPG
Tuner Studio MS(Beta) v 2.05c MS2/Extra Release Gslender 2.7
Fiat/Peugeot/Citrön 2,0 8v Turbo
Micro Entwicklerboard
http://www.breitband-lambda.de/
AGT Messboard von Metaworld82
Landi Renzo LPG
Tuner Studio MS(Beta) v 2.05c MS2/Extra Release Gslender 2.7
Re: probleme mit überwachungslambda sonde
Nimm nen Blindrohr wo die Sonde reinkommt 
Wird für einige Porsche usw für viel Geld angeboten.
Wird für einige Porsche usw für viel Geld angeboten.
Fiat Uno Racing, K16, UMC1, Gslender 3.2.1, LC-1, 355cc, Bluetooth
Re: probleme mit überwachungslambda sonde
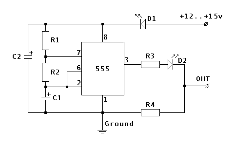
Oder eine simple Schaltung mit einem NE555 und etwas Hühnerfutter die das Signal einer Sonde hinter einem funktionierenden kat simuliert. Ein Freund von mir hat Platinen dafür entworfen und vertreibt die demnächst online für ganz faule. Wenn du lieber lötest und nicht warten willst, ich suche das gerne noch mal raus.
Re: probleme mit überwachungslambda sonde
um was für eine steuerung handelt es sich?
man kann sowas auch wegprogrammieren, ggf kan ich dir da helfen.
man kann sowas auch wegprogrammieren, ggf kan ich dir da helfen.
TS 2.0.6 - MLV MS 3.3.02
-----------------------------------------
neues Projekt:
Turbo mit 16V
POWERED BY MS3
-----------------------------------------
neues Projekt:
Turbo mit 16V
POWERED BY MS3
-
Richard004
- Beiträge: 1181
- Registriert: Sa Nov 29, 2008 12:04 am
Re: probleme mit überwachungslambda sonde
ja kannst du mir gerne mal raussuchen, was meinst du mit hühnerfutter?Maren hat geschrieben:Oder eine simple Schaltung mit einem NE555 und etwas Hühnerfutter die das Signal einer Sonde hinter einem funktionierenden kat simuliert. Ein Freund von mir hat Platinen dafür entworfen und vertreibt die demnächst online für ganz faule. Wenn du lieber lötest und nicht warten willst, ich suche das gerne noch mal raus.
HHTC hat geschrieben:um was für eine steuerung handelt es sich?
man kann sowas auch wegprogrammieren, ggf kan ich dir da helfen.
seriensteuerung, jetzt grad 1,4er Ford Fockus bj 2003?
hab ich aber schon probleme beim fiesta Bj 2004, Fiat Punto Bj 2002, VW T5 2,0 liter benzin bj 2004 usw
mit einem einfachen kleinen Kondensator geht das nicht?
Alfa GTV 2,0v6 Turbo mit schlechtem Tuning
Fiat/Peugeot/Citrön 2,0 8v Turbo
Micro Entwicklerboard
http://www.breitband-lambda.de/
AGT Messboard von Metaworld82
Landi Renzo LPG
Tuner Studio MS(Beta) v 2.05c MS2/Extra Release Gslender 2.7
Fiat/Peugeot/Citrön 2,0 8v Turbo
Micro Entwicklerboard
http://www.breitband-lambda.de/
AGT Messboard von Metaworld82
Landi Renzo LPG
Tuner Studio MS(Beta) v 2.05c MS2/Extra Release Gslender 2.7
Re: probleme mit überwachungslambda sonde
damit sind widerstände bzw. kondensatoren gemeint (als schüttung sieht das grob aus wie hühnerfutterRichard004 hat geschrieben:...ja kannst du mir gerne mal raussuchen, was meinst du mit hühnerfutter?
Re: probleme mit überwachungslambda sonde
Ja genau, Kleinzeuch halttooly hat geschrieben:damit sind widerstände bzw. kondensatoren gemeint (als schüttung sieht das grob aus wie hühnerfutterRichard004 hat geschrieben:...ja kannst du mir gerne mal raussuchen, was meinst du mit hühnerfutter?)
R1 100 K Ohm
R2 1 M Ohm
R3 100 K Ohm
R4 10 K Ohm
C1 4.7 uF
C2 22 uF
D1 1.7v@20mA LED
D2 1.7v@20mA LED
D1 kannst du ggf. so weglassen, wenn du D2 auch rauswerfen willst, musst du R3 und R4 anpassen, damit die Spannung am Ausgang wieder passt.
Ich hab das schon ein paar Mal aufgebaut, einige Porsche 996 GT3 laufen damit tadellos, genauso wie ein paar Toyota FJ Cruiser. Bei letzteren sogar auch als Ersatz der Hauptsonde (also 4 Stück pro Auto), da die das Auto im Rallye-Einsatz mit verbleitem Kraftstoff fahren.
- Dateianhänge
-
- o2sim.png (2.42 KiB) 7951 mal betrachtet
-
Richard004
- Beiträge: 1181
- Registriert: Sa Nov 29, 2008 12:04 am
Re: probleme mit überwachungslambda sonde
Danke!
was macht die schaltung? gibt die 0,5 volt raus?
was macht die schaltung? gibt die 0,5 volt raus?
Alfa GTV 2,0v6 Turbo mit schlechtem Tuning
Fiat/Peugeot/Citrön 2,0 8v Turbo
Micro Entwicklerboard
http://www.breitband-lambda.de/
AGT Messboard von Metaworld82
Landi Renzo LPG
Tuner Studio MS(Beta) v 2.05c MS2/Extra Release Gslender 2.7
Fiat/Peugeot/Citrön 2,0 8v Turbo
Micro Entwicklerboard
http://www.breitband-lambda.de/
AGT Messboard von Metaworld82
Landi Renzo LPG
Tuner Studio MS(Beta) v 2.05c MS2/Extra Release Gslender 2.7
Re: probleme mit überwachungslambda sonde
Geht auch ganz ohne sowas 
Fiat Uno Racing, K16, UMC1, Gslender 3.2.1, LC-1, 355cc, Bluetooth
-
Richard004
- Beiträge: 1181
- Registriert: Sa Nov 29, 2008 12:04 am
Re: probleme mit überwachungslambda sonde
war grad in dem Laden mit den blau weißen Tüten Hühnerfutter kaufen.
schitt! Fassung für NE555 vergessen
schitt! Fassung für NE555 vergessen
Alfa GTV 2,0v6 Turbo mit schlechtem Tuning
Fiat/Peugeot/Citrön 2,0 8v Turbo
Micro Entwicklerboard
http://www.breitband-lambda.de/
AGT Messboard von Metaworld82
Landi Renzo LPG
Tuner Studio MS(Beta) v 2.05c MS2/Extra Release Gslender 2.7
Fiat/Peugeot/Citrön 2,0 8v Turbo
Micro Entwicklerboard
http://www.breitband-lambda.de/
AGT Messboard von Metaworld82
Landi Renzo LPG
Tuner Studio MS(Beta) v 2.05c MS2/Extra Release Gslender 2.7
Re: probleme mit überwachungslambda sonde
Brauchste doch nicht, wenn du alles richtig machstRichard004 hat geschrieben:war grad in dem Laden mit den blau weißen Tüten Hühnerfutter kaufen.
schitt! Fassung für NE555 vergessen
Die Schaltung pendelt am Ausgang zwischen ca. 0,2V und ca. 0,8V, so etwa im Sekundentakt.
-
Richard004
- Beiträge: 1181
- Registriert: Sa Nov 29, 2008 12:04 am
Re: probleme mit überwachungslambda sonde
ja aber genau das will ich für die sonde hinter dem kat nicht haben
da brauche ich ein glattes 0,5volt signal
siehe zb seite 10
http://www.aet-auto.de/pdfs/TechnischeI ... Sonden.pdf
da brauche ich ein glattes 0,5volt signal
siehe zb seite 10
http://www.aet-auto.de/pdfs/TechnischeI ... Sonden.pdf
Alfa GTV 2,0v6 Turbo mit schlechtem Tuning
Fiat/Peugeot/Citrön 2,0 8v Turbo
Micro Entwicklerboard
http://www.breitband-lambda.de/
AGT Messboard von Metaworld82
Landi Renzo LPG
Tuner Studio MS(Beta) v 2.05c MS2/Extra Release Gslender 2.7
Fiat/Peugeot/Citrön 2,0 8v Turbo
Micro Entwicklerboard
http://www.breitband-lambda.de/
AGT Messboard von Metaworld82
Landi Renzo LPG
Tuner Studio MS(Beta) v 2.05c MS2/Extra Release Gslender 2.7
Re: probleme mit überwachungslambda sonde
Bist du sicher? Eigentlich liefert keine herkömmliche Schmalbandsonde konstant 0,5V, das kann die im Grunde gar nicht. Ich hab gelesen, was Beru schreibt, aber auch da zeigen die ein Diagramm mit einer leicht schwellenden Kurve. Du solltest die Amplitude bei der Schaltung mit dem NE555 durch andere Widerstände kleiner machen können, vielleicht wären 0,4-0,6V gut.Richard004 hat geschrieben:ja aber genau das will ich für die sonde hinter dem kat nicht haben
da brauche ich ein glattes 0,5volt signal
siehe zb seite 10
http://www.aet-auto.de/pdfs/TechnischeI ... Sonden.pdf
Wenn ich mich aber irre und es aber so einfach ist, dass eine konstante Spannung ausreicht, wie wäre es mit einem 7805 Spannungsregler und einem 100k Poti als Spannungsteiler über das du einfach 0,5V einstellst?
-
Richard004
- Beiträge: 1181
- Registriert: Sa Nov 29, 2008 12:04 am
Re: probleme mit überwachungslambda sonde
die frage ist ja was das steuergerät benötigt um einen "kaputten" Kat festzustellen.
ich werde es testen
Danke
ich werde es testen
Danke
Alfa GTV 2,0v6 Turbo mit schlechtem Tuning
Fiat/Peugeot/Citrön 2,0 8v Turbo
Micro Entwicklerboard
http://www.breitband-lambda.de/
AGT Messboard von Metaworld82
Landi Renzo LPG
Tuner Studio MS(Beta) v 2.05c MS2/Extra Release Gslender 2.7
Fiat/Peugeot/Citrön 2,0 8v Turbo
Micro Entwicklerboard
http://www.breitband-lambda.de/
AGT Messboard von Metaworld82
Landi Renzo LPG
Tuner Studio MS(Beta) v 2.05c MS2/Extra Release Gslender 2.7
Re: probleme mit überwachungslambda sonde
Och Leute

Der KAT arbeitet als Sauerstoffspeicher.
Wenn du vor dem KAT also Schwankungen hast im Lambdawert, dann kommen die bei OK KAT hinten nicht raus, sondern sind "geglättet".
Bevor jetzt der nächste kommt das man deswegen ja auch keinen ordentlichen Lambdawert nach KAT messen kann, es gibt nur einen Delay um Lambda 1, eventuell auch einen sehr geringen Fehler auf den Lambdawert (lokale Abweichung von dem Lambda blablabla)... genug davon
So viele Diagnosen sind aber so stupide gehalten, das eine Demontage der Sonde reicht um keinen Fehler zu kriegen.
Sprich in die frische Luft hängen (Wert konstant) oder in ein "Blindrohr"schrauben.
Ohne Elektronikgebastel usw.
Der KAT arbeitet als Sauerstoffspeicher.
Wenn du vor dem KAT also Schwankungen hast im Lambdawert, dann kommen die bei OK KAT hinten nicht raus, sondern sind "geglättet".
Bevor jetzt der nächste kommt das man deswegen ja auch keinen ordentlichen Lambdawert nach KAT messen kann, es gibt nur einen Delay um Lambda 1, eventuell auch einen sehr geringen Fehler auf den Lambdawert (lokale Abweichung von dem Lambda blablabla)... genug davon
So viele Diagnosen sind aber so stupide gehalten, das eine Demontage der Sonde reicht um keinen Fehler zu kriegen.
Sprich in die frische Luft hängen (Wert konstant) oder in ein "Blindrohr"schrauben.
Ohne Elektronikgebastel usw.
Fiat Uno Racing, K16, UMC1, Gslender 3.2.1, LC-1, 355cc, Bluetooth