Tooth #1 Angle einstellen geht nicht

Für alle Anfängerfragen die so auftauchen und irgendwie auch immer wieder auftauchen. Bitte vorher trotzdem die Suche benutzen!
Forumsregeln
Bitte vorher trotzdem die Suche benutzen!
Antworten
b3bob
Beiträge: 58
Registriert: So Mär 17, 2013 7:28 pm
Wohnort: Leipzig

Tooth #1 Angle einstellen geht nicht

Beitrag von b3bob »

Hallo,
Ich habe ein Probleme bei der Inbetriebnahme einer UMC1 am Fahrzeug.
Zum Setup:
- 4 Zylinder (C20NE Motor 2.0l 8V)
- Vollsequentielle Einspritzung und Wasted Spark Zündung
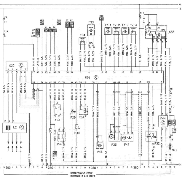
- Kabelbaum Motronic 2.8 (Schaltplan siehe Anhang)
- VR Sensor an der KW 60-2 Triggerrad
- Hall-Sensor an NW

Folgendes Problem:

Ich bekomme mein Offset des VR Sensors (Im TS: "Tooth #1 Angle (Deg BTDC)") nicht eingestellt.
Ich bin folgendermaßen Vorgegangen:
Einstellungen im TS:
Fixed Advance: fixed Timing
Timing for fixed Advance: 0 Deg
Tooth #1 Angle (Deg BTDC): 0 Deg
Motor mit Anlasser, ohne Kerzen und Sprit, drehen lassen (ca. 230 U/min).
Zündlichtpistole Zyl. 1 und selbst gemachte OT-Markierung (echter OT) an der KW angeblitzt.

Jetzt wollte ich mithilfe des "Tooth #1 Angle (Deg BTDC)" solange verstellen bis die Markierungen übereinander liegen. Aber egal was ich einstelle es ändert sich beim Blitzen nix. Die Markierungen bleiben wo sie sind. Wenn ich allerdings "Timing for fixed Advance" verändere veschiebt sich der Punkt. Bei 0° ist die KW-Markierung aber immernoch vom Bezugspunkt am Motorblock entfernt und wenn ich größere Winkel eingebe wird es nur schlimmer.

Was kann ich da tun?

Schonmal vielen Dank für eure Hilfe.

Mfg Torsten
Dateianhänge
SLP.png
SLP.png (234.86 KiB) 4784 mal betrachtet
Legende.png
Legende.png (80.65 KiB) 4784 mal betrachtet
Benutzeravatar
SD16
Beiträge: 326
Registriert: So Mär 13, 2005 10:08 pm

Re: Tooth #1 Angle einstellen geht nicht

Beitrag von SD16 »

Hallo

Gleiches Problem hatte ich mit Firmware 3.3.2!
Dank Peter haben wir eine Lösung gefunden!
Tooth#1 angel wert anklicken, und mit Pfeiltaste auf und ab einstellen. Abspeichern (dann springt er wieder auf den ausgangspunkt zurück) Zündung aus, nochmal Starten und schaun ob die Werte übernommen wurden!
Weis die werte beim Opel nicht, aber da kannst mal bei 80 Grad anfangen und nach oben gehen!
Aber nicht weitersagen :wink: :lol:
Gruß
b3bob
Beiträge: 58
Registriert: So Mär 17, 2013 7:28 pm
Wohnort: Leipzig

Re: Tooth #1 Angle einstellen geht nicht

Beitrag von b3bob »

Danke für den Tipp,ich dachte schon ich bin bescheuert.
Werds die Tage mal versuchen und berichten.

Gruß Torsten
b3bob
Beiträge: 58
Registriert: So Mär 17, 2013 7:28 pm
Wohnort: Leipzig

Re: Tooth #1 Angle einstellen geht nicht

Beitrag von b3bob »

Hat funktioniert, jetzt passt die Markierung.
Vielen Dank für die Hilfe

Lücke beim OPEL C20NE Motor mit 60-2 Triggerrad ist bei 113° vOT

Gruß Torsten
Benutzeravatar
thokes82
Beiträge: 51
Registriert: Fr Sep 27, 2013 12:38 pm
Wohnort: Aachen
Kontaktdaten:

Re: Tooth #1 Angle einstellen geht nicht

Beitrag von thokes82 »

b3bob hat geschrieben: Lücke beim OPEL C20NE Motor mit 60-2 Triggerrad ist bei 113° vOT
Fast... Es sind 114°. Es sind nämlich genau 19 Zähne. 19/360° * 60 Zähne = 114°

Aber durch probieren bist du ja nah rangekommen :lol:
Website klick hier
Bild
Antworten