Honda Civic EJ9 @ MS2 V3.0

albiek
Beiträge: 167
Registriert: Di Jul 12, 2016 8:05 am

Honda Civic EJ9 @ MS2 V3.0

Beitrag von albiek »

Hey,

ich lese schon seit einiger Zeit mit und beschäftige mich schon länger mit Motorsteuerungen. Ich habe das Manual Megasquirt2_TunerStudio_MS_Lite_Reference-3.4 auch schon fast durchgearbeitet.

Jetzt wollte ich meinen Umbau der MS2 V3.0 und Ansteuerung des D14 1.4 l 90 PS Motor dokumentieren und diverse Fragen stellen.

Ich habe vor ein paar Tagen bei einem netten Forumsmitglied (danke an Dennis_Zx7r) eine gebraucht MS2 gekauft mit 4-Channel Ignition/Injection Drivers V1.1 Board, extra Map-Sensor MPX4250AP und einige andere Umbauten gekauft. Als ich die ECU bekommen habe, habe ich die erstmal wieder auf "stock" gelötet, damit ich alles besser nachvollziehen kann.

Ausgangsbasis:
Honda Civic EJ9
1.4iS 90 PS non-Vtec
vollsequentille Einspritzung
Zündverteiler
vier VR-Sensoren, drei an der Nockenwelle im Zündverteiler: CKP-Sensor (24 Zähne), TDC-Sensor (4 Zähne), CYP-Sensor (1 Zahn) und einen an der Kurbelwelle: CKF-Sensor (12 Zähne)
3-wire IACV
Innovate LC-2 mit LSU4.2 oder LSU4.9

Vorgehensweise:
Einspritzung und Zündung vollsequentiell
- Einspritzung vollsequentiell über das 4-Channel Ignition/Injection Drivers V1.1 Board
- Zündung regelt erstmal der Verteiler über IGN, wie genau gilt es noch herauszufinden!
Drehzahlerfassung VR-Sensor an NW: CKP-Sensor (24 Zähne)
Zündimpulserfassung VR-Sensor an NW: CYP-Sensor (1 Zahn)
- für den zweiten VR-Sensor baue ich den VR-Kreis nach Manual mit dem LM1815 Chip auf und lege den EIngang auf Pin 5 (SPR3)
OEM Kabelbaum und Stecker bleiben unangetastet. Es gibt durch die Möglichkeit, Honda OBD1 ECUs zu chippen und zum Abstimmen zu nutzen, einen Adapterkabelbaum. Dort schneide ich die ECU-seitigen Stecker ab und löte die nötigen Pins des DB37- und DB15-Steckers an.
zweiter Mapsensor
- werde ich zur späteren Baro Korrektur nutzen und an JS5 anschließen mit den empfohlenen Kondensatoren (http://www.nxp.com/assets/documents/dat ... X4250A.pdf Seite 4). Diesen Sensor und den VR-Kreis löte ich auf eine extra Platine und schiebe diese mit in das Gehäuse.
Klimaanlage wird über Pin 6 (SPR4) auf JS4 gelegt um Leerlauf anzupassen.

Das normale Gehäuse gefällt mir nicht so gut, da DB37- und DB15-Stecker auf verschiedenen Seiten sind. Am Montag werde ich ins Conrad gehen und diese beiden Gehäuse testen:
https://www.conrad.de/de/universal-geha ... 23232.html
https://www.conrad.de/de/profil-gehaeus ... 26017.html
Ich hoffe, dass in eins der beiden Gehäuse die Platinen von der Breite her passen und ich die beiden Platinen untereinander platzieren kann, damit die DB-Stecker auf einer Seite sind Beim originalen Gehäuse ist der originale Map-Sensor im Weg. :cry:
Wenn die nicht passen, dann werde ich vielleicht hier http://www.gie-tec.de/gehaeuse---profil ... /index.php zweimal das Seitenprofil 2 in 165 mm Länge (122020 0165) bestellen und die vier Deckel selber ausschneiden.

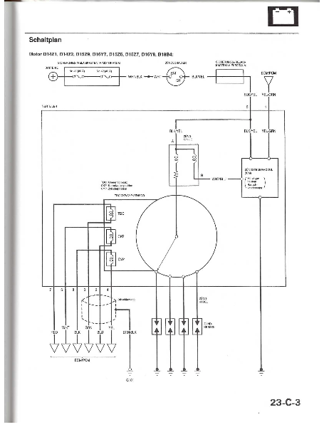
Ob die Zündung so einfach realisiert werden kann, weiß ich noch nicht genau. Bild 1 zeigt wie die Zündung aufgebaut ist.
Bild 1
Bild 1
Verteiler_EJ9.png (97.63 KiB) 34276 mal betrachtet
Jetzt komme ich direkt zu ein paar Fragen :lol:

- Welche Kondensatoren nehme ich am besten für die Zusatz-Platinen? Elektrolyt-oder Keramik-Kondensator?

- Wie schließe ich das 4-Channel Ignition/Injection Drivers V1.1 Board richtig an? Ich will es gleich komplett anschließen, falls ich später auf COP umbauen möchte. +5V und GND hole ich mir über die Proto Area. Die Einspritzung schließe ich so an: http://jbperf.com/sequential/index.html#v3conn. Der Anschluss der Zündung ist eher schlecht dokumentiert, da der Link dazu tot ist.

- Das IACV von Honda wird noch interessant. Es ist ein 3-wire IACV, welches mit PWM 500 Hz gesteuert wird. Müssen dazu die Jumper Wires
S12C to JS9 - bottom side of board
a) JS0 to IAC1A
b) JS1 to IAC1B
c) JS2 to IAC2A
d) JS3 to IAC2B
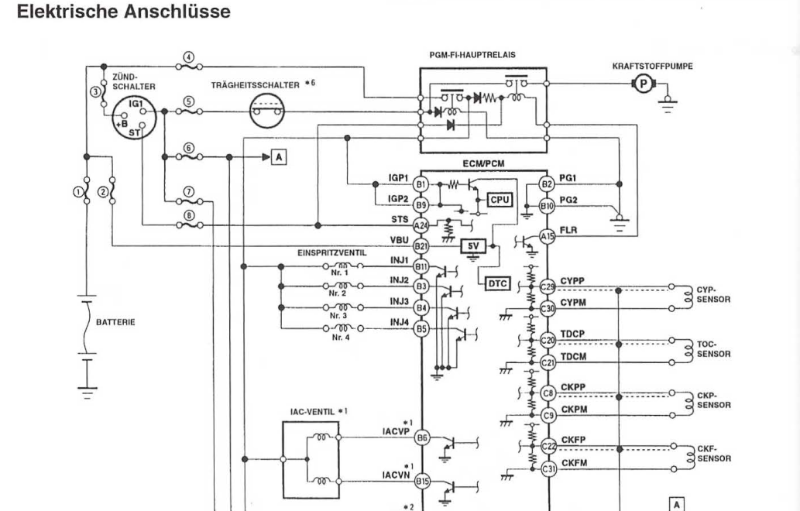
angeschlossen werden? Ich habe Bild 2 angehangen, wie das IACV an der originalen ECU angeschlossen ist.
Bild 2
Bild 2
Anschluss_Civic_EJ9_OBD2b_Seite_285.PNG (240.02 KiB) 34276 mal betrachtet
Wie es ausschaut, muss ich diesen Umbau realisieren: https://www.diyautotune.com/product/meg ... od-kit-39/

Im Anhang ist meine jetzige Parametriering (2017-01-07_23.02.34.msq), die noch nicht ganz fertig ist, teeth angle, Kennfelder etc., und mein Anschlussplan (Reiter Honda: zugeordnete Pins; Reiter MS2V30 (2) unbelegte Pins), die noch nicht getestet ist. Vielleicht hat jemand Lust mal darüber zu schauen.

Das reicht jetzt erstmal. :oops:

Es ist erstmal kein großer Umbau der Motorhardware geplant, sondern die MS2 zum Laufen zu bekommen!
Dateianhänge
2017-01-07_23.02.34.msq
jetzige Einstellung
(118.01 KiB) 739-mal heruntergeladen
Pinbelegung.xlsx
Anschlussplan
(21.21 KiB) 812-mal heruntergeladen
Pezi
Beiträge: 347
Registriert: Mo Feb 12, 2007 9:34 pm
Wohnort: Passau

Re: Honda Civic EJ9 @ MS2 V3.0

Beitrag von Pezi »

Hi Albiek!

Bin schon gespannt wie dein Projekt weiter geht. Auf alle Fälle finde ich es schon mal richtig gut dass du dich vorab schon in das Thema einliest. Kommt bei den meisten Neueinsteigern, gefühlt nicht mehr so oft vor. :roll:

Warum baust du die Zündung nicht gleich auf COP um? Dein Zündverteiler ist ja so ein all-in-one Teil oder? Also mit integrierten Sensor, Treiber und Zündspule?
Mit deinem Verteiler fällt mir aus dem Stand nur eine Möglichkeit ein:
Den Ausgang der MS auf einen Logik-Ausgang umbauen und so den OEM Treiber im Verteiler ansteuern.
Vielleicht hat jemand noch eine andere Idee.....
Jetzt stellt sich aber gleich die Frage welche Zündspulen du benutzen willst, wenn du auf sequentielle Zündung umbauen willst.
Ich persönlich habe ja den Fehler gemacht, dass ich alle Zündausgänge als High-Current ausgeführt habe, in der Annahme dass die Cuore Spulen die passen , ohne Treiber sind.
Puste Kuchen.... Jetzt heisst es entweder wieder alles umlöten oder passende Spulen finden. Was aber in meinen Fall nicht so einfach ist. :roll:
- Welche Kondensatoren nehme ich am besten für die Zusatz-Platinen? Elektrolyt-oder Keramik-Kondensator?
Du meinst die Schutzbeschaltung der Analogeingänge der MS? Das sind normale Keramik Kondensatoren. KEINE Elkos!!
- Wie schließe ich das 4-Channel Ignition/Injection Drivers V1.1 Board richtig an? Ich will es gleich komplett anschließen, falls ich später auf COP umbauen möchte. +5V und GND hole ich mir über die Proto Area. Die Einspritzung schließe ich so an: http://jbperf.com/sequential/index.html#v3conn. Der Anschluss der Zündung ist eher schlecht dokumentiert, da der Link dazu tot ist.
Dazu kann ich persönlich nicht viel sagen, da ich das Board nicht nutze. Hier aber mal ein paar Links.... vielleicht helfen sie dir ja weiter!
http://jbperf.com/quad_ign_inj/index.html
http://www.msextra.com/doc/pdf/html/MS2 ... e-3.4.html <--- Der Tote Link verweißt glaube ich auf diese Seite. Hier laufen leider seit der Umstellung der MSEXTRA Seite viele Links ins Leere. :roll:
- Wie schließe ich das 4-Channel Ignition/Injection Drivers V1.1 Board richtig an?
Da kann ich persönlich nicht viel sagen, weil ich mich damit viel zu wenig beschäftigt habe. Bei meinen Daihatsu musste ich feststellen dass sich der Leerlauf super über die Zündung regeln lässt. :D

Zu deiner MSQ:
Ich glaube es ist etwas zu früh sich darüber den Kopf zu zerbrechen.
Aber hier ein paar Gedanken von mir dazu:
- Ich persönlich würde den "Control Algoritm" von "percent Baro" auf "Speed Density" stellen. Eine Höhenkorrektur funktioniert auch hier. Das gleiche auch für "Ignition"
- für volle Sequentielle Einspritzung musst du folgende Einstellung machen
1. Injector Staging -> Simultan
2. Squirts per engine Cycle -> 1
3. Injector Drivers -> additional Drivers
- die Werte für den Overrun Fuelcut unbedingt höher setzen. Der Motor stirbt 100% ab bei aus und ein Kuppeln.
Aber für den ersten Start und die ersten Metern würde ich dass sowie so ausschalten, inkl. Klima-Eingang usw!
Daihatsu 993ccm Turbo "The little Big Monster" :D
Pezi
Beiträge: 347
Registriert: Mo Feb 12, 2007 9:34 pm
Wohnort: Passau

Re: Honda Civic EJ9 @ MS2 V3.0

Beitrag von Pezi »

Nachtrag:
Was machst du eigentlich mit dem Lüfter vom Kühler? Der ist ja original auch über das ECU geschaltet. Also nicht vergessen beim einbauen. :D
Daihatsu 993ccm Turbo "The little Big Monster" :D
albiek
Beiträge: 167
Registriert: Di Jul 12, 2016 8:05 am

Re: Honda Civic EJ9 @ MS2 V3.0

Beitrag von albiek »

Pezi hat geschrieben: Bin schon gespannt wie dein Projekt weiter geht.
Ich auch :D
Pezi hat geschrieben: Warum baust du die Zündung nicht gleich auf COP um? Dein Zündverteiler ist ja so ein all-in-one Teil oder? Also mit integrierten Sensor, Treiber und Zündspule?
Weil ich erstmal die Standardhardware lassen will. Wenn das funktioniert, dann kann ich mich um den Umbau kümmern. Wegen der vollsequentiellen Zündung habe ich mich wohl ungenau ausgedrückt. Der Verteiler stellt ja "quasi" eine vollsequentielle Zündung zur Verfügung. Da werden die Zylinder ja durch die rotierende Zündung einzeln gezündet und nicht Wasted Spark. Der Vergleich hinkt bestimmt ein wenig. :oops: Ich habe leider kein Oszilloskop, sonst hätte ich den ICM-Ausgang mal gemessen.
Wenn ich auf COP umbaue, dann würde ich auf D17 Zündspulen umsteigen. Das ist die nachfolgende Entwicklungsstufe meines D-Motors.
Pezi hat geschrieben:
- Welche Kondensatoren nehme ich am besten für die Zusatz-Platinen? Elektrolyt-oder Keramik-Kondensator?
Du meinst die Schutzbeschaltung der Analogeingänge der MS? Das sind normale Keramik Kondensatoren. KEINE Elkos!!
Ich meine Kondensatoren zum Aufbau des zusätzlichen VR-Kreises und Map-Sensors. Da habe ich die Bestellliste jetzt auf Keramikkondensatoren umgestellt, außer wenn die erforderliche Größe es nicht zu lässt.
- Wie schließe ich das 4-Channel Ignition/Injection Drivers V1.1 Board richtig an?
Da werde ich wohl nochmal tiefer graben müssen! Und schaue auch nochmal im Manual nach.
Pezi hat geschrieben:http://www.msextra.com/doc/pdf/html/MS2 ... e-3.4.html <--- Der Tote Link verweißt glaube ich auf diese Seite. Hier laufen leider seit der Umstellung der MSEXTRA Seite viele Links ins Leere. :roll:
Hast du eine Seitenzahl dazu oder es nur als Hinweis gepostet?
Pezi hat geschrieben: Zu deiner MSQ:
Ich glaube es ist etwas zu früh sich darüber den Kopf zu zerbrechen.
Aber hier ein paar Gedanken von mir dazu:
- Ich persönlich würde den "Control Algoritm" von "percent Baro" auf "Speed Density" stellen. Eine Höhenkorrektur funktioniert auch hier. Das gleiche auch für "Ignition"
- für volle Sequentielle Einspritzung musst du folgende Einstellung machen
1. Injector Staging -> Simultan
2. Squirts per engine Cycle -> 1
3. Injector Drivers -> additional Drivers
- die Werte für den Overrun Fuelcut unbedingt höher setzen. Der Motor stirbt 100% ab bei aus und ein Kuppeln.
Aber für den ersten Start und die ersten Metern würde ich dass sowie so ausschalten, inkl. Klima-Eingang usw!
Danke für die Hinweise. Percent Baro nutze ich nur wegen dem zweiten Map-Sensor. Da kann ich auch erstmal auf Speed Density gehen.
Wegen der vollsequentiellen Einspritzung scheinen sich die Geister irgendwie zu spalten: http://www.megasquirt.de/msforum/viewto ... f=2&t=5440. Deswegen habe ich einfach die Einstellung gewählt. Werde ich beim Testen rausfinden.
Bei Overrun Fuelcut habe ich jetzt
RPM Greater Than 1000,
MAP Lower than 20,
TPS Lower than 5,
CLT higher than 75 und
Return Fuel When RPM less than 750
gestellt. Höhere Werte machen auch Sinn. Sind die Werte besser? Das sind Dinge, wo ich noch Erfahrung sammeln muss.
Pezi hat geschrieben: Was machst du eigentlich mit dem Lüfter vom Kühler? Der ist ja original auch über das ECU geschaltet. Also nicht vergessen beim einbauen. :D
Danke. Das war ein guter Tipp. Ich habe im Honda Manual nachgeschaut und das ist bei der ECU-Belegung beim D14 Motor nicht mit aufgeführt. Da muss ich mal am Auto schauen!

Was ich auch gerade noch gesehen habe. Ich muss nicht nur das A/C-SCHALTERSIGNAL auslesen, sondern muss auch noch das A/C-KUPPLUNGS-RELAIS (EIN: 0V, AUS: Batterie) steuern. :shock: Langsam werden die Pins rar, wenn ich CAN nicht belegen will. :?

Gibt es einen separaten Pin für das Kraftstoffpumpenrelais? (3.5.3 Fuel pump output)
Pezi
Beiträge: 347
Registriert: Mo Feb 12, 2007 9:34 pm
Wohnort: Passau

Re: Honda Civic EJ9 @ MS2 V3.0

Beitrag von Pezi »

Also dann reden wir von einer ganz normalen Verteiler Zündung die auch bleiben soll. Voll sequenzielle Zündung ist ja gaaaannz was anderes. ;)
Ich meine Kondensatoren zum Aufbau des zusätzlichen VR-Kreises und Map-Sensors. Da habe ich die Bestellliste jetzt auf Keramikkondensatoren umgestellt, außer wenn die erforderliche Größe es nicht zu lässt.
Wenn im Schaltplan nur "normale" Kondensatoren eingezeichnet sind, kannst du keine Elektrolyd-Kondensatoren verwenden. Die verhalten sich nicht wie Keramikkondensatoren. Alleine schon nicht wegen der Polarität. :roll:
Wenn du einen Elko einbaust statt einem normalen, wird die Schaltung zu 90% nicht funktionieren!
Hast du eine Seitenzahl dazu oder es nur als Hinweis gepostet?
Jetzt ist mein Link auch ins Leere gelaufen. :lol: Sooooo.... dann probieren wir es nochmal.. :D
http://www.msextra.com/doc/pdf/html/MS2 ... .4-75.html
Wenn es wieder nicht klappt... Seite 75 im Manual. ;)

Nun... mit den Einstellungen der Einspritzung scheiden sich etwas die geister.
Die von mir geposteten Einstellungen sind die die Ich vewende und er läuft tadellos damit. Mit anderen Einstellungen läuft der Motor bei mir nicht sauber...
Mach dir estmal keinen Kopf über, Overrun Fuelcut usw. Erst muss der Motor mal Laufen. ;)
Was ich auch gerade noch gesehen habe. Ich muss nicht nur das A/C-SCHALTERSIGNAL auslesen, sondern muss auch noch das A/C-KUPPLUNGS-RELAIS (EIN: 0V, AUS: Batterie) steuern. :shock: Langsam werden die Pins rar, wenn ich CAN nicht belegen will. :?

Gibt es einen separaten Pin für das Kraftstoffpumpenrelais? (3.5.3 Fuel pump output)
Ja das mit den Anschlüssen ist ein kleines Problem, die sind mir auch fast ausgegangen. :mrgreen:

Die Benzinpumpe hat aber einen fest zugewiesenen Ausgang. Ist der Augang FP an der Megasquirt.
Daihatsu 993ccm Turbo "The little Big Monster" :D
ChristianK
Beiträge: 2278
Registriert: So Jun 29, 2014 8:53 pm

Re: Honda Civic EJ9 @ MS2 V3.0

Beitrag von ChristianK »

Bei Overrun Fuelcut habe ich jetzt
RPM Greater Than 1000,
MAP Lower than 20,
TPS Lower than 5,
CLT higher than 75 und
Return Fuel When RPM less than 750
So wird selbst ein achtzylinder ausgehen. Wie wäre es, wenn Du mal zwei Gänge zurück schaltest und den ganzen unnötigen Kram erstmal aussenvor lässt?

ORFC kannst Du nochmal dran denken, wenn das Ding sauber läuft. Und dann vielleicht einfach mal alle Werte verdoppeln. Außer temp und tps. Die würde ich beide deutlich tiefer ansetzen. Irgendwas um 2% und 60`C.
Je nachdem wie sauber das tps ist, würde ich sogar in Richtung 0,2% gehen.

Klimaanlage kann man normalerweise komplett aussenvor lassen. Das bekommt man mit Sprit und Zündung ebenso hin.

Die Drehzahlerfassung wäre mir auch zu wild. Warum so kompliziert?

Leerlaufregler würde ich irgendwas nehmen, was sich bewehrt hat und nur zwei Pins hat. Weil einfach einfach einfach ist.

Man kann das sicherlich alles irgendwie machen. Aber als erstes Projekt? Da würde ich mir so viel als möglich sparen, was man definitiv nicht braucht.
albiek
Beiträge: 167
Registriert: Di Jul 12, 2016 8:05 am

Re: Honda Civic EJ9 @ MS2 V3.0

Beitrag von albiek »

Das mit der Polarität ist mir bewusst. :wink:
Pezi hat geschrieben:
Hast du eine Seitenzahl dazu oder es nur als Hinweis gepostet?
Jetzt ist mein Link auch ins Leere gelaufen. :lol: Sooooo.... dann probieren wir es nochmal.. :D
http://www.msextra.com/doc/pdf/html/MS2 ... .4-75.html
Wenn es wieder nicht klappt... Seite 75 im Manual. ;)
Danke :D
ChristianK hat geschrieben: So wird selbst ein achtzylinder ausgehen. Wie wäre es, wenn Du mal zwei Gänge zurück schaltest und den ganzen unnötigen Kram erstmal aussenvor lässt?
Danke für den Hinweis. Wie gesagt, habe ich oben schon geschrieben, dass ich da noch praktische Erfahrung sammeln muss. Ich bin nur darauf eingegangen, weil es angesprochen wurde. Danke für die Hinweise zu den Werten.

Was ist an der Drehzahlerfassung zu wild? Das ist eine beschriebene Drehzahlerfassung laut Manual und ist hardwareseitig so gegeben. Wie oben schon geschrieben, werde ich erst einmal versuchen mit der gegebenen Hardware zu arbeiten.
albiek
Beiträge: 167
Registriert: Di Jul 12, 2016 8:05 am

Re: Honda Civic EJ9 @ MS2 V3.0

Beitrag von albiek »

Ich habe mir jetzt mal angeschaut, wie ich am besten das Honda Zündmodul ansteuere und bin auf diese Anleitung gekommen:
https://www.diyautotune.com/support/tec ... our-honda/
Unter
Using the MegaSquirt-II PCBv3 with the Honda ignition module
MegaSquirt-II PCBv3.0 Mods Required:
Steht Jumper JS10 to IGBTIN
das wäre an sich kein Problem, wenn ich den JS10 nicht für den zweiten VR-Sensor brauchen würde:
http://www.msextra.com/doc/pdf/html/MS2 ... .4-73.html
5.2.14.1 Adding a cam sensor input - VR/magnetic sensor: Connect to JS10 for a V3 PCB

Tunerstudio lässt nur zu, dass der Spark A Output Pin auf JS10 gestellt wird neben der Möglichkeit D14. Gibt es da noch ein andere Möglichkeit den VR-Sensor auszulesen?
Pezi
Beiträge: 347
Registriert: Mo Feb 12, 2007 9:34 pm
Wohnort: Passau

Re: Honda Civic EJ9 @ MS2 V3.0

Beitrag von Pezi »

Ich weiß jetzt auch nicht was an der Drezahlerfassung so wild sein soll?
Das 24er Rad als Drezahlerfassung und das 1er Rad als Zylinder Erfassung ist weder kompliziert und wird im Grunde für die sequentielle Einspritzung benötigt.
Was wäre denn noch einfacher?

Okay... Die originale Erfassung über 4 verschiedene Signale ist etwas Hardcore aber das ist halt Honda. :lol:

Die Anleitung verstehe ich aber ehrlich gesagt auch nicht.... Wenn ich das richtig verstehe, dann wird nur das 24er Rad an der Nockenwelle benutzt. Das kann ja ohne Lücke ja gar nicht funktionieren. Woher weiß die MS welcher Zylinder als nächstes kommt?
Wäre es ein 24-1 Rad würde es ja klappen aber so???

Die Klimaanlage würde ich nicht aussen vor lassen. Da auch die magnetkupplung über die MS gesteuert werden muss, würde ich das Eingangssignal nicht vernachlässigen. Wie soll sonst die Kupplung gesteuert werden. Die Kupplung soll ja bei aktiver Klima und Drehzahl X geschaltet werden.
Daihatsu 993ccm Turbo "The little Big Monster" :D
albiek
Beiträge: 167
Registriert: Di Jul 12, 2016 8:05 am

Re: Honda Civic EJ9 @ MS2 V3.0

Beitrag von albiek »

Pezi hat geschrieben: Okay... Die originale Erfassung über 4 verschiedene Signale ist etwas Hardcore aber das ist halt Honda. :lol:
Laut Handbuch ist das die Definition für die Sensoren:
CKP-Sensor (24 Zähne): bestimmt den Kraftstoffeinspritz- und Zündzeitpunkt jedes Zylinders und erfaßt außerdem die Motordrehzahl
TDC-Sensor (4 Zähne): bestimmt den Zündzeitpunkt beim Anlassen (Ankurbeln) und bei ungewöhnlichem Kurbelwinkel
CYP-Sensor (1 Zahn): erfasst die Position des Zylinders Nr. 1 für die sequentielle Kraftstoffeinspritzung in jedem Zylinder.
Kurbelwelle
CKF-Sensor (12 Zähne): überwacht die Schwankung der Kurbelwellendrehzahl und ermittelt darauf basierend Kraftstoff/Luft-Verhältnis
Pezi hat geschrieben:Die Anleitung verstehe ich aber ehrlich gesagt auch nicht.... Wenn ich das richtig verstehe, dann wird nur das 24er Rad an der Nockenwelle benutzt. Das kann ja ohne Lücke ja gar nicht funktionieren. Woher weiß die MS welcher Zylinder als nächstes kommt?
Wäre es ein 24-1 Rad würde es ja klappen aber so???
Ich weiß nicht, ob die in der Anleitung die Bezeichnung der Sensoren verhauen haben, aber dort steht drin, dass der TDC-Sensor, die beste Wahl ist. Diese ist aber das vierzähnige Zahnrad an der NW. Das ist glaube ich etwas zu wenig, aber auch der 24-zähnige an der KW wird nicht gehen, wie schon angesprochen.
Pezi hat geschrieben: Die Klimaanlage würde ich nicht aussen vor lassen. Da auch die magnetkupplung über die MS gesteuert werden muss, würde ich das Eingangssignal nicht vernachlässigen. Wie soll sonst die Kupplung gesteuert werden. Die Kupplung soll ja bei aktiver Klima und Drehzahl X geschaltet werden.
Die beiden Pins treibe ich schon auf.

Die große fragen, bleibt nach wie vor, wie ich die Zündung realisiere mit OEM Verteiler, da der zweite VR-Sensor an JS10 angeschlossen werden muss oder sehe ich das falsch?! Kann ich den auch über den JS11 detektieren?

Für die MegaSquirt-I PCBv3.0 Mods werden folgende Schritte für die Nutzung eines Honda Verteilers angegeben:

Build the VR conditioner circuit, as described in The MSExtra MS1 Manual. All our preassembled Megasquirts with the V3.0 board come with this circuit installed.
Jumper TachSelect to VRIN.
Jumper TSEL to VROUTINV.
You may need to adjust the VR trim pots, R52 and R56, when this is installed on a running engine. A usual base setting is to turn them all the way counterclockwise.
Run a jumper wire from the negative leg of D14 to IGN.

Ob das auch bei MS2 geht mit dem D14?

Es ist echt sehr schwierig, alles mit der MS2 abzudecken. Für das IAC benötige ich wohl auch noch einen Transistor, genauso wie für die Zündung. Ich habe aber nur den Q16 frei. Werden die Transistoren wirklich so heiß, dass sie Kühlung benötigen, z.B. der TIP120, den ich für beide Applikationen benötige?!

Was zeigen die LEDs an? Wenn ich nur Spannung auf die MS2 gebe, dann leuchtet D14 dauerhaft. Gibt es irgendwo ein Schema, was die Funktion von D14, D15 und D16 aufzeigt? In den Manuals habe ich nix gefunden, was nicht heißen muss, dass da nichts steht! :roll:
albiek
Beiträge: 167
Registriert: Di Jul 12, 2016 8:05 am

Re: Honda Civic EJ9 @ MS2 V3.0

Beitrag von albiek »

Alfagta hat es im anderen Thread sehr gut meine Fragen beantwortet. IGBTIN wird mit dem negativen Bein von D14 / R26 verbunden.

Die Teile für den zweiten VR-Kreis sind da und müssen nur noch auf dem Zusatzboard verlötet werden. Den TIP120 habe ich auch schon für die Zündung.
Zusatzboard
Zusatzboard
Zusatzboard.jpg (279.09 KiB) 33904 mal betrachtet
Benutzeravatar
Alfagta
Beiträge: 2448
Registriert: Mo Jan 24, 2011 2:24 pm
Kontaktdaten:

Re: Honda Civic EJ9 @ MS2 V3.0

Beitrag von Alfagta »

Eine Seite von R26 geht an die Basis von Q6 da greifst das Signal ab.

Gruß
Wer aufhört besser zu werden hat aufgehört gut zu sein
Alfa 156 GTA
Alfa 75 Race Car MS III
Alfa 164 V6 Turbo
Test MS II
Tunerstudio V3.0.60.61 Registered
MLog View V4.3.30 Registered
MLog View HD V4.3.30 Registered
albiek
Beiträge: 167
Registriert: Di Jul 12, 2016 8:05 am

Re: Honda Civic EJ9 @ MS2 V3.0

Beitrag von albiek »

Ich habe mal wieder ein Frage zum Anschluss an den originalen Kabelbaum.

Ich schließe folgende Pins zusammen:
Honda ECU Pins -> MS2 Pins
IGP1: STROMQUELLE - Stromquelle für den ECM/PCM-Steuerschaltkreis -> Pin 28 +12V In
PG1: SPANNUNGSMASSE - Masse für den ECM/PCM·Steuerschalkreis -> Pin 15 POWER GROUND
PG2: SPANNUNGSMASSE - Masse für den ECM/PCM·Steuerschalkreis -> Pin 16 POWER GROUND
CKPM: CKP·SENSOR, M·SEITE - Masse für den CKP-Sensor -> Pin 1 Crank sensor ground
SG2: SENSORMASSE -> Pin 7 Sensor ground

Sollten alle Massepins, also auch 17-19 angeschlossen werden an PG1/2?

Wo schließe ich
IGP2: STROMQUELLE - Stromquelle für den ECM/PCM-Steuerschaltkreis
LG1: LOGIKMASSE - Masse für den ECM/PCM·Steuerschalkreis
LG2: LOGlKMASSE - Masse für den ECM/PCM·Steuerschalkreis

an? Soll der IGP2 mit an Pin 28 +12V In angeschlossen werden, so dass zwei Stromquellen parallel geschaltet sind oder würde eine reichen? Es macht ja keinen Unterschied, außer wenn die MS2 sehr stromhungrig ist. Die Sensormasse habe ich an Pin 7 angeschlossen. Sollte ich die Logikmasse an Pin 8 und 9 - Spare GND anschließen?
Pezi
Beiträge: 347
Registriert: Mo Feb 12, 2007 9:34 pm
Wohnort: Passau

Re: Honda Civic EJ9 @ MS2 V3.0

Beitrag von Pezi »

Ohne ein Schaltbild vom OEM ECU ist das jetzt ein bissl wie Rätselraten. :roll:

Folgendes kann man trotzdem sagen:
IGP1: STROMQUELLE - Stromquelle für den ECM/PCM-Steuerschaltkreis -> Pin 28 +12V In
PG1: SPANNUNGSMASSE - Masse für den ECM/PCM·Steuerschalkreis -> Pin 15 POWER GROUND
PG2: SPANNUNGSMASSE - Masse für den ECM/PCM·Steuerschalkreis -> Pin 16 POWER GROUND
Das ist auf alle Fälle mal richtig.
CKPM: CKP·SENSOR, M·SEITE - Masse für den CKP-Sensor -> Pin 1 Crank sensor ground
Das ist ebenfalls Richtig. CKPP muss halt dann auf Pin24!
SG2: SENSORMASSE -> Pin 7 Sensor ground
Hier beginnt jetzt das Rätselraten. Wenn SG2 Die gemeinsame Masse ALLER Sensoren ist(TPS,CLT,MAT usw.) dann ist es ebenfalls richtig.
Sollten alle Massepins, also auch 17-19 angeschlossen werden an PG1/2?
Ja! Müssen sogar!
IGP2: STROMQUELLE - Stromquelle für den ECM/PCM-Steuerschaltkreis
LG1: LOGIKMASSE - Masse für den ECM/PCM·Steuerschalkreis
LG2: LOGlKMASSE - Masse für den ECM/PCM·Steuerschalkreis
IGP2 kannst du getrost weglassen. LG1 und LG2 kann ich jetzt echt nichst sagen weil ich keinen blassen Schimmer habe was das sein soll. :roll:
Daihatsu 993ccm Turbo "The little Big Monster" :D
albiek
Beiträge: 167
Registriert: Di Jul 12, 2016 8:05 am

Re: Honda Civic EJ9 @ MS2 V3.0

Beitrag von albiek »

Die Schaltpläne reiche ich natürlich nach. Es gibt zwei Sensormassen, SG1 ist für den oem Map-Sensor, der ja leider entfällt und bei SG2 steht nur Sensormasse da, da schaue ich nochmal genauer im Whb nach.
Antworten