Honda Civic EJ9 @ MS2 V3.0
Re: Honda Civic EJ9 @ MS2 V3.0
Wenn ich die Massen der Sensoren auf 2 GND Kabel gesplittet sind, MUSST du mit beiden auf den Sensor GND Pin der Megasquirt.
Von dem 5V Sensor Kreis müssen ALLE auf diesen GND Pin der Megasquirt verbunden sein.
Von dem 5V Sensor Kreis müssen ALLE auf diesen GND Pin der Megasquirt verbunden sein.
Daihatsu 993ccm Turbo "The little Big Monster" 
Re: Honda Civic EJ9 @ MS2 V3.0
So jetzt mal zu den Schalplänen.
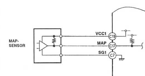
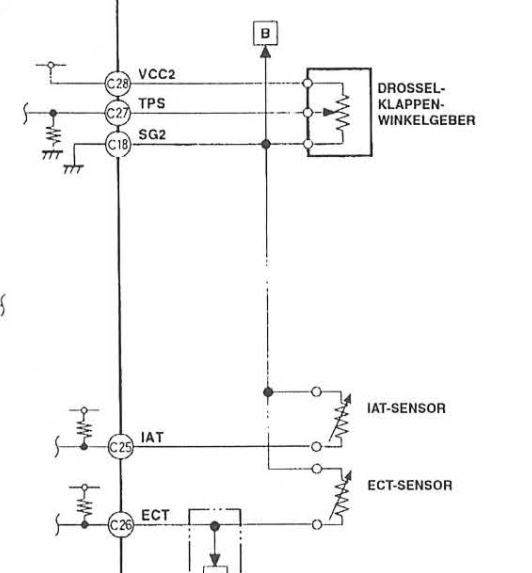
Also SG1 ist nur die Sensormasse für den OEM Map-Sensor und den nutzt man ja leider nicht. SG2 ist die Masse für IAT- (MAT-), ECT-, TPS- und Lambda-Sensor, also sollte Pin 7 auf der Megasquirt, der richtige sein! Logikmasse 1 (LG1) scheint die Masse für die Schirmung verschiedener Sensoren zu sein. LG2 wäre nicht so relevant, da kein Klopfsensor verbaut ist bei dem Motor und die LG2 nur für dessen Schirmung ist. Wo schließe ich also LG1 an? Mit an Pin 2 an der MS2, da auch die Schirmung für den CKP-Sensor auf LG1 liegt, was ja laut Beschreibung passen würde?
Ich würde SG1 mit an Pin 7 und LG2 mit an den Pin von LG1 schließen, damit an den Pins auch definiert Masse anliegt. Schaden sollte es nicht oder gibt es da sinnvolle Einwände?
Also SG1 ist nur die Sensormasse für den OEM Map-Sensor und den nutzt man ja leider nicht. SG2 ist die Masse für IAT- (MAT-), ECT-, TPS- und Lambda-Sensor, also sollte Pin 7 auf der Megasquirt, der richtige sein! Logikmasse 1 (LG1) scheint die Masse für die Schirmung verschiedener Sensoren zu sein. LG2 wäre nicht so relevant, da kein Klopfsensor verbaut ist bei dem Motor und die LG2 nur für dessen Schirmung ist. Wo schließe ich also LG1 an? Mit an Pin 2 an der MS2, da auch die Schirmung für den CKP-Sensor auf LG1 liegt, was ja laut Beschreibung passen würde?
Ich würde SG1 mit an Pin 7 und LG2 mit an den Pin von LG1 schließen, damit an den Pins auch definiert Masse anliegt. Schaden sollte es nicht oder gibt es da sinnvolle Einwände?
Zuletzt geändert von albiek am Mo Feb 13, 2017 8:02 pm, insgesamt 1-mal geändert.
Re: Honda Civic EJ9 @ MS2 V3.0
LG1 und LG2 sind quasi Massepunkte. Das heisst die würde ich auch an die Masse Pins der Megasquirt legen.
Daihatsu 993ccm Turbo "The little Big Monster" 
Re: Honda Civic EJ9 @ MS2 V3.0
Also auf Pin 2 oder Pin 15 bis 19?Pezi hat geschrieben:LG1 und LG2 sind quasi Massepunkte. Das heisst die würde ich auch an die Masse Pins der Megasquirt legen.
Für was sind die extra spare grounds auf Pin 8 - 14 ? Spare ist ja Reserve, aber ich habe ja schon fünf power grounds. Sind die spare grounds galvanisch getrennt von den anderen oder wo liegt der Unterschied?
Re: Honda Civic EJ9 @ MS2 V3.0
Ja genau LG1 legst auf Pin 2 und LG2 auf irgendeinen GND Pin.
Spare und Power GND sind nicht getrennt, sondern hängen auf der Platine zusammen.
Es ist also völlig egal.
Schau doch mal ins Manual. Da ist das ganze im Anhang schön aufgezeichnet.
Spare und Power GND sind nicht getrennt, sondern hängen auf der Platine zusammen.
Es ist also völlig egal.
Schau doch mal ins Manual. Da ist das ganze im Anhang schön aufgezeichnet.
Daihatsu 993ccm Turbo "The little Big Monster" 
Re: Honda Civic EJ9 @ MS2 V3.0
Wo schließe ich die Negative Seite meines zweiten Nockenwellensensors an? Da es ein Sensor ist, würde ich diese mit auf den Pin 7 Sensorground legen. Ist das richtig oder kann ich den auf irgendeinen Massepin setzen. Alle Massepins 1,2 7-19 laufen laut Manual (MS2V30_Hardware-3.4 Seite 174) auf einen Massepunkt.
Oder sollte der Massepunkt lieber bei dem LM1815-Stromkreis liegen, obwohl der seine Masse eh von der Proto Area bekommt und damit wahrscheinlich mit allen Massepins verbunden ist. Wie sind eure Erfahrungen?
Oder sollte der Massepunkt lieber bei dem LM1815-Stromkreis liegen, obwohl der seine Masse eh von der Proto Area bekommt und damit wahrscheinlich mit allen Massepins verbunden ist. Wie sind eure Erfahrungen?
Re: Honda Civic EJ9 @ MS2 V3.0
Hast du denn auf einen zusätzlichen Nockenwellen Sensor umgebaut? Das steht doch alles haargenau im Manual beschrieben. 
Daihatsu 993ccm Turbo "The little Big Monster" 
Re: Honda Civic EJ9 @ MS2 V3.0
Ich will ja nicht unhöflich klingen, aber auf solche Aussagen kann ich verzichten, wenn man sogar den Thread nicht ordentlich liest. Ich habe schon geschrieben, dass ich den Kreis gelötet habe und ein Bild gepostet, auf dem man den LM1815-Stromkreis sieht. Ich frage auch nicht ohne Grund. Ich habe im Manual schon gelesen. Dort wird sogar auf den Bildern gezeigt, dass die Schirmung auf die Sensormasse gelegt werden soll, obwohl es dafür einen separaten Pin dafür gibt. Im Kapitel für den zweiten Trigger steht auch nicht, wo die Masse angeschlossen werden soll. In den Stromlaufplänen wird auch gezeigt, dass alle Masseanschlüsse auf einen Punkt laufen. Ich wollte nur noch eure Erfahrung zu Rate ziehen. Ich habe noch ein wenig darüber nachgedacht und werde die negative Seite des zweiten Camtrigger mit auf Pin 1 legen.Pezi hat geschrieben:Hast du denn auf einen zusätzlichen Nockenwellen Sensor umgebaut? Das steht doch alles haargenau im Manual beschrieben.
Re: Honda Civic EJ9 @ MS2 V3.0
Ich habe die Zusatzschaltung für den zusätzlichen Cam-Input auf die Proto Area gelötet und mache die Inbetriebnahme der MS2.
Jetzt bin ich dabei die Drehzahl- und Triggererfassung für die Zündung zu simulieren. Dazu nutze ich einen Funktionsgenerator, ein Signalsimulator für NW und KW und eine Oszi zur Darstellung der Signale.
Meine Einstellung: Ich habe das Sinussignal auf 240 Hz gestellt und nutze die Wenn ich ein Sinussignal auf die Drehzahlerfassung gebe, sehe ich im Compositelogger das Signal. Sync loss aufgrund des fehlenden Zündsignals vom Zusatzbord. Also funktioniert die Drehzahlerfassung.
Jetzt nutze ich ein Signal aus dem NW-Simulator, um die Zusatzschaltung zu testen. Das ist nur eine Sinusperiode, die 2,5 Grad KW lang ist. Der Anschluss für die zusätzliche Signalerfassung geht über SPR1 und das Ausgangssignal auf den JS10. Wenn ich ein Sinussignal über den Kabelbaum auf den passenden Pin lege, sehe ich mit dem Oszi an folgenden Stellen das gleiche Signal:
- am Pin SPR1 auf der Platine
- am Eingangspin der Zusatzschaltung auf der Protoarea
- am 18k Widerstand Signalseitig
Und danach kann ich kein Signal mehr messen. Nach dem 18k Widerstand sehe ich im Oszi eine Grundlinie und am AUsgang der Zusatzschaltung zu JS10 5 V, was ja auch passt, durch den Pullup-Widerstand.
Das Signal bricht aber von einer Amplitude von unbelastet 6 V auf 1,25 V zsaummen. Wenn ich das gleiche Signal an die Drehzahlerfassung hänge, bricht es nicht ein und wird auch im Compositelogger erkannt.
Gebe ich vom Funktionsgenerator, der wahrscheinlich mehr Strom treiben kann, ein Signal mit einer Amplitude von <2,5 V auf das Zusatzboard, habe ich auch ein Zündsignal.
Also belastet die Zusatzschaltung zu sehr den Eingangspegel. Woran kann das liegen? Ich habe die vorgeschriebenen Bauteile für die Schaltung genutzt. Ich habe auch alles min. zweimal mit dem Multimeter überprüft. Keinen Kurzschluss nix. Ich kann auch nicht den Strom messen vom SIgnal und habe keine Angabe vom Signalgenerator wie viel Strom der bereit stellt. Dazu kann ich also keine Aussage machen.
Jetzt bleibt mir nichts anderes übrig, als im Fahrzeug zu testen, obwohl ich da keine große Hoffnung habe, dass der Induktivgeber den Strom bereit stellen kann.
Wo könnte noch der Fehler liegen?
Ich habe nochmal meine .msq angehangen. Vielleicht habe ich eine fehlerhafte Einstellung.
Jetzt bin ich dabei die Drehzahl- und Triggererfassung für die Zündung zu simulieren. Dazu nutze ich einen Funktionsgenerator, ein Signalsimulator für NW und KW und eine Oszi zur Darstellung der Signale.
Meine Einstellung: Ich habe das Sinussignal auf 240 Hz gestellt und nutze die Wenn ich ein Sinussignal auf die Drehzahlerfassung gebe, sehe ich im Compositelogger das Signal. Sync loss aufgrund des fehlenden Zündsignals vom Zusatzbord. Also funktioniert die Drehzahlerfassung.
Jetzt nutze ich ein Signal aus dem NW-Simulator, um die Zusatzschaltung zu testen. Das ist nur eine Sinusperiode, die 2,5 Grad KW lang ist. Der Anschluss für die zusätzliche Signalerfassung geht über SPR1 und das Ausgangssignal auf den JS10. Wenn ich ein Sinussignal über den Kabelbaum auf den passenden Pin lege, sehe ich mit dem Oszi an folgenden Stellen das gleiche Signal:
- am Pin SPR1 auf der Platine
- am Eingangspin der Zusatzschaltung auf der Protoarea
- am 18k Widerstand Signalseitig
Und danach kann ich kein Signal mehr messen. Nach dem 18k Widerstand sehe ich im Oszi eine Grundlinie und am AUsgang der Zusatzschaltung zu JS10 5 V, was ja auch passt, durch den Pullup-Widerstand.
Das Signal bricht aber von einer Amplitude von unbelastet 6 V auf 1,25 V zsaummen. Wenn ich das gleiche Signal an die Drehzahlerfassung hänge, bricht es nicht ein und wird auch im Compositelogger erkannt.
Gebe ich vom Funktionsgenerator, der wahrscheinlich mehr Strom treiben kann, ein Signal mit einer Amplitude von <2,5 V auf das Zusatzboard, habe ich auch ein Zündsignal.
Also belastet die Zusatzschaltung zu sehr den Eingangspegel. Woran kann das liegen? Ich habe die vorgeschriebenen Bauteile für die Schaltung genutzt. Ich habe auch alles min. zweimal mit dem Multimeter überprüft. Keinen Kurzschluss nix. Ich kann auch nicht den Strom messen vom SIgnal und habe keine Angabe vom Signalgenerator wie viel Strom der bereit stellt. Dazu kann ich also keine Aussage machen.
Jetzt bleibt mir nichts anderes übrig, als im Fahrzeug zu testen, obwohl ich da keine große Hoffnung habe, dass der Induktivgeber den Strom bereit stellen kann.
Wo könnte noch der Fehler liegen?
Ich habe nochmal meine .msq angehangen. Vielleicht habe ich eine fehlerhafte Einstellung.
Re: Honda Civic EJ9 @ MS2 V3.0
Ich habe jetzt mal am Auto einen Test gemacht. Ich kann den Tooth Logger und den Trigger Logger nicht im MegaLogViewerHD anschauen, weil ich keine Vollversion habe.
Ich kann nur den Composite Logger anschauen und da springt nach 700 ms der Sync von 0 auf 1. Das sollte doch erstmal ein gutes Zeichen sein.
Kann sich das mal bitte jemand anschauen und mir eine Rückmeldung geben, ob die 24 Zähne an der NW und der eine Zahn an der NW sauber erkannt werden?
Die Dateien sind beschriftet und hängen an.
Was bedeuten die Zeiteinheiten (250...4000 ms) bei Tooth und Trigger Logger?
Ich kann nur den Composite Logger anschauen und da springt nach 700 ms der Sync von 0 auf 1. Das sollte doch erstmal ein gutes Zeichen sein.
Kann sich das mal bitte jemand anschauen und mir eine Rückmeldung geben, ob die 24 Zähne an der NW und der eine Zahn an der NW sauber erkannt werden?
Die Dateien sind beschriftet und hängen an.
Was bedeuten die Zeiteinheiten (250...4000 ms) bei Tooth und Trigger Logger?
- Dateianhänge
-
- 2017-07-02_17.06.44_erster_Start_trigger_4000.csv
- (23.48 KiB) 771-mal heruntergeladen
-
- 2017-07-02_17.06.44_erster_Start_tooth_4000.csv
- (15.59 KiB) 773-mal heruntergeladen
-
- 2017-07-02_17.06.44_erster_Start_tooth_1000.csv
- (37.69 KiB) 787-mal heruntergeladen
-
- 2017-07-02_17.06.44_erster_Start_composite.csv
- (11.58 KiB) 776-mal heruntergeladen
-
- 2017-07-02_16.53.40_erster_Start_sync_error.csv
- (8.15 KiB) 758-mal heruntergeladen
-
ChristianK
- Beiträge: 2278
- Registriert: So Jun 29, 2014 8:53 pm
Re: Honda Civic EJ9 @ MS2 V3.0
Warum schaust Du das nicht einfach in TS beim starten an?
Die Zeiteinheiten sind die Abstände zwischen den Signalen.
Die Zeiteinheiten sind die Abstände zwischen den Signalen.
Re: Honda Civic EJ9 @ MS2 V3.0
Habe ich ja, aber das erscheint Zeit versetzt und nicht irgendwie nicht über die ganze Länge. Ich werde es nochmal anschauen, Bilder machen und hier hochladen.
-
ChristianK
- Beiträge: 2278
- Registriert: So Jun 29, 2014 8:53 pm
Re: Honda Civic EJ9 @ MS2 V3.0
I'm endeffekt ist es egal, was die Zeit sagt. Der Cam input wird höchstwahrscheinlich immer sauber sein, weil es nur ein Signal alle zwei Umdrehungen ist.
Bei 24-1 ist dann eine Lücke zwei-drei mal so lang. Wellenförmig ist es beim Start mit Kerzen immer. Weil der Motor halt unterschiedlich schnell dreht.
Wenn alle Zähne da sind und es gleichmäßig ist, ist doch alles ok. Synclost und syncreason wirst Du mit nur 24 Zähnen sehr wahrscheinlich nicht haben. Wirst Du ja feststellen...
Bei 24-1 ist dann eine Lücke zwei-drei mal so lang. Wellenförmig ist es beim Start mit Kerzen immer. Weil der Motor halt unterschiedlich schnell dreht.
Wenn alle Zähne da sind und es gleichmäßig ist, ist doch alles ok. Synclost und syncreason wirst Du mit nur 24 Zähnen sehr wahrscheinlich nicht haben. Wirst Du ja feststellen...
Re: Honda Civic EJ9 @ MS2 V3.0
Heute bin ich wieder etwas weiter gekommen! Ich sehe ein vernüftiges Kurbelwellen- und Nockenwellensignal, zumindest simuliert.
1000 u/min: 6000 u/min: Ich habe auch das Problem gefunden, warum das Simulatorsignal immer am zweiten VR-Kreis in der Protoarea zusammengebrochebn ist. Der Simulator hat einen 300 Ohm Ausgangswiderstand und der VR-Kreis einen 300 Ohm Eingangswiderstand, dadurch waren es dann nur noch 150 Ohm und die haben den Simulator zu stark belastet. Am interen VR-Kreis des Megasquirt 2 habe ich ca. 470k Ohm gemessen, also habe ich den 300 Ohm Widerstand gegen einen 470k Ohm Widerstand getauscht und es hat funktioniert. Das gelbe Signal ist für den optionalen VR-Kreis und dias blaue Signal für den ersten VR-Kreis (erstes Bild).
mit 300 Ohm Widerstand im zweiten VR-Kreis: mit 470k Ohm Widerstand im zweiten VR-Kreis als Ersatz für 300 Ohm Widerstand Die Einspritzventilanschlüsse geben auch ein schhlüssiges Signal aus. Jetzt macht mir nur noch die Zündung Probleme. Im Letzten Bild sieht man auch noch einen Zündimpuls (blaues Signal). Ich habe auf Q16 einen TIP120 gelötet, da ich einen Logikausgang für die Zündung für den externen Treiber im Zündverteiler brauche. Dann habe ich vom R26 oben wie auf Seite 75 des Manuals beschrieben eine Leitung zu IGBTIN gelegt. Das Signal kommt auch an der Basis (Pin 1) des Transistors an. Am Kollektor (Pin 2) sehe ich das gleiche Signal. IGBTOUT habe ich mit IGN verbunden, also sehe ich das Signal bis zum Pin IGN auf dem Board. Dieser Pin sollte eigentlich mit dem Pin 36 auf dem Stecker verbunden sein. Ich sehe am Pin 36 (Stecker) aber kein Signal und es besteht von IGN zu Pin 36 auch kein Durchgang, auch nicht auf dem Lochrasteranschluss des Steckers, obwohl laut Leiterbahn Verbindung herrschen sollte. Muss ich noch irgendetwas umstellen oder ist das ein mechanischer/elektronischer Defekt auf der Platine?
Weitere Verbindungen auf dem Board: TSEl -> VROUTINV und TACHSELECT -> VRIN
Einstellungen Tunerstudio:
1000 u/min: 6000 u/min: Ich habe auch das Problem gefunden, warum das Simulatorsignal immer am zweiten VR-Kreis in der Protoarea zusammengebrochebn ist. Der Simulator hat einen 300 Ohm Ausgangswiderstand und der VR-Kreis einen 300 Ohm Eingangswiderstand, dadurch waren es dann nur noch 150 Ohm und die haben den Simulator zu stark belastet. Am interen VR-Kreis des Megasquirt 2 habe ich ca. 470k Ohm gemessen, also habe ich den 300 Ohm Widerstand gegen einen 470k Ohm Widerstand getauscht und es hat funktioniert. Das gelbe Signal ist für den optionalen VR-Kreis und dias blaue Signal für den ersten VR-Kreis (erstes Bild).
mit 300 Ohm Widerstand im zweiten VR-Kreis: mit 470k Ohm Widerstand im zweiten VR-Kreis als Ersatz für 300 Ohm Widerstand Die Einspritzventilanschlüsse geben auch ein schhlüssiges Signal aus. Jetzt macht mir nur noch die Zündung Probleme. Im Letzten Bild sieht man auch noch einen Zündimpuls (blaues Signal). Ich habe auf Q16 einen TIP120 gelötet, da ich einen Logikausgang für die Zündung für den externen Treiber im Zündverteiler brauche. Dann habe ich vom R26 oben wie auf Seite 75 des Manuals beschrieben eine Leitung zu IGBTIN gelegt. Das Signal kommt auch an der Basis (Pin 1) des Transistors an. Am Kollektor (Pin 2) sehe ich das gleiche Signal. IGBTOUT habe ich mit IGN verbunden, also sehe ich das Signal bis zum Pin IGN auf dem Board. Dieser Pin sollte eigentlich mit dem Pin 36 auf dem Stecker verbunden sein. Ich sehe am Pin 36 (Stecker) aber kein Signal und es besteht von IGN zu Pin 36 auch kein Durchgang, auch nicht auf dem Lochrasteranschluss des Steckers, obwohl laut Leiterbahn Verbindung herrschen sollte. Muss ich noch irgendetwas umstellen oder ist das ein mechanischer/elektronischer Defekt auf der Platine?
Weitere Verbindungen auf dem Board: TSEl -> VROUTINV und TACHSELECT -> VRIN
Einstellungen Tunerstudio:
Re: Honda Civic EJ9 @ MS2 V3.0
Gehe ich richtig der Annahme, wenn ich das 4-Channel Ignition/Injection Driver Board von jbperf.com für die EInspritzung nutze, dass ich die Einspritzventile bei einer Zündreihenfolge von 1-3-4-2 so anschließen muss:
DB15 Stecker des Extraboards ->Einspritzventile Fahrzeug
Injector 1 -> Einspritzventil 1
Injector 2 -> Einspritzventil 3
Injector 3 -> Einspritzventil 4
Injector 4 -> Einspritzventil 2
??
Injector 1 -> Einspritzventil 1
Injector 2 -> Einspritzventil 3
Injector 3 -> Einspritzventil 4
Injector 4 -> Einspritzventil 2
??